Question
Question: Why is the virtual ground strategy adopted in case of Op-amps with negative feedback mechanisms corr...
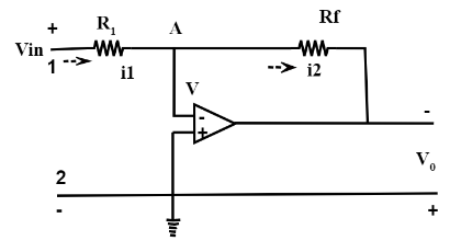
Why is the virtual ground strategy adopted in case of Op-amps with negative feedback mechanisms corresponding to the below figure?

A). Due to reduction in input voltage at inverting terminal to zero.
B). Due to reduction in input voltage at inverting terminal to unity.
C). Due to increase in input voltage at inverting terminal greater than unity.
D). All of the above.
Solution
Connecting the output of an op-amp to its inverting (-) input is called negative feedback. When the output of an op-amp is directly connected to its inverting (-) input, a voltage follower will be created. Whatever signal voltage is impressed upon the non inverting (+) input will be seen on the output.
Complete Step By Step Answer:
The phrase "virtual ground" refers to the condition in which the input voltage at the inverting terminal is forced to achieve an extremely small value, close to zero. As a result, the point at which the inverting terminal finds its connection is considerably at the ground voltage and is considered to be at the virtual ground level.
The reason for the input voltage being reduced to zero is the positive potential obtained by point A and the presence of the output voltage at the same time. Out of phase, a portion of the output is sent back to the input terminal. The total of these two voltages, however, equals zero.
Correct answer is option A, Due to reduction in an input voltage at inverting terminal to zero.
Note:
When we connect an op- amp's output to its inverting input and apply a voltage signal to the non inverting input, we find that the op- amp's output voltage closely follows the input value. Vout will rise in proportion to Vin as the differential gain increases. However, when Vout grows, the output voltage is fed back to the inverting input, reducing the voltage difference between the inputs and bringing the output down.
