Question
Question: What should be the value of the \(R\) so that the electric power consumed by it is maximum: 
(A)12Ω
(B)24Ω
(C)6Ω
(D) None of the above
Solution
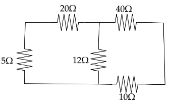
From the figure we can say that the four resistance that is 5Ω,20Ω,10Ωand40Ω are connected in the principle of Wheatstone bridge.
The Wheatstone’s bridge: works on the principle that where the ratio of the resistances is equal, no current flows through the galvanometer which is connected in the middle of the circuit.
Now from that we can say that the 12Ω resistance shows no current flow through it and it is open circuited. Now using the maximum power theorem we can find the value resistance R.
Maximum power transfer theorem (for DC circuits) states that the power transferred to the load is maximum when the load resistance is equal to source resistance.
Complete step by step answer:
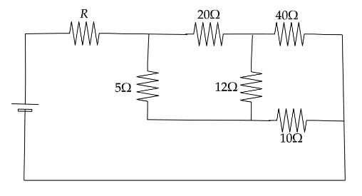
Let’s observe the Wheatstone bridge circuit in the given image. This can be seen in the below image.

Now using Wheatstone bridge principle we can say that,
5Ω20Ω=10Ω40Ω
Hence from this we can say that the current does not flow through the 12Ω will be zero and it acts as an open circuit.
Now the circuit will look like we will get,

Where 20Ω and 40Ω were connected in series and resistances 5Ω and 10Ω are connected in series then after it will be connected in parallel.

Now the equivalent resistance will be,
Req=R60∣∣R15=R60+R15R60×R15
Now putting the given values we will get,
Req=60+1560×15Ω=12Ω
Now put circuit will look like,

Now using maximum power transfer theorem we can say that, Source resistance is equal to load resistance.
R=RL
Where,
RL is the load resistance where the load resistance value is equal to 12Ω .
Now we can say that the value of resistance R in the circuit is 12Ω.
Therefore, the value of R=12Ω option (A) is correct..
Note:
Remember that the maximum power transform states that to obtain maximum external power from a source in a circuit with finite internal resistance where the resistance of the load must be equal to the resistance of the source as viewed from its output terminal.
