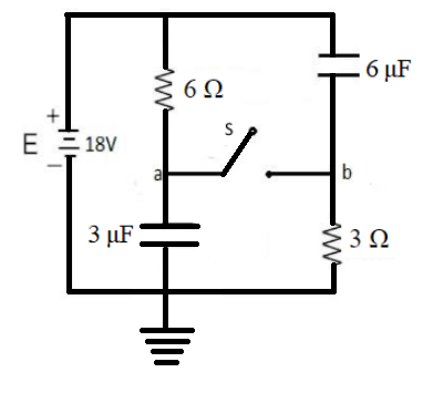
Question
Question: What is the final potential of point b with respect to ground when switch S is closed? 
Solution
The above figure will be solved using the concept of transient properties of capacitor.
We will use a steady state capacitor and will act as an open circuit because at steady state current through the capacitor will be zero. Using the above concept we will replace the capacitor with an open circuit and find out the potential at point b.
Complete step by step answer:
Capacitors having transient properties in which capacitors act as short circuits before closing the switch S, which means capacitor has no charge before closing the switch S voltage across the capacitor is zero.
By the time the capacitor gets charged after closing the switch voltage across the capacitor keeps on increasing and current becomes zero.
When current becomes zero across an element it behaves as an open circuit and when voltage across an element becomes zero it acts as a short circuit.
In the circuit shown above when switch S is closed, the capacitor gets open circuited current only flows across resistors.
Using KVL across the loop and let unknown current be if we have the equation, with positive polarity when voltage is gained and negative polarity when voltage is lost.
⇒18−6i−3i=0 ⇒18−9i=0 ⇒918=i ⇒i=2 (we will revolve around the loop starting from 18V and then 6ohm, then 3ohm)
After calculation we got current in the circuit as 2A.
At point b, the potential will be the voltage across the 3 ohm resistor.
At point b potential will be = R×I
= 3×2
= 6V
Therefore, potential at point b with respect to the ground is 6V
Note: Like capacitor has transient properties similarly inductor too has transient properties .When the switch is open current through the inductor is zero and acts as open circuit. When the switch is closed, at steady state voltage across the inductor will be zero and current reaches its maximum peak.
