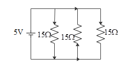
Question
Question: What is the current out of the battery? 
Solution
Hint : First of you must thoroughly observe the given circuit diagram. And analyze whether the circuit is connected in series or parallel. If the resistors are connected in parallel the effective resistance or the net resistance in a series connection is the sum of resistances used and the net resistance in a parallel connection, the reciprocal of equivalent resistance is the sum of reciprocals of the individual resistances. After that by applying Ohm’s law we will get current out of the battery.
Complete step-by-step solution:
Here the resistors are connected in parallel. Hence the effective resistance in parallel combination can be calculated by,
Rnet1=R11+R21+R31……………(1)
Given that,
R1=15ΩR2=15ΩR3=15Ω
Thus substituting the values in the above equation we get,
Rnet1=151+151+151
⇒Rnet1=153
Rnet=315
∴Rnet=5Ω
Then to calculate the current out of the battery can be calculated using Ohm’s law.
That is,
V=IR
Where, V is the potential difference
I is the current through the conductor
R a constant known as resistance
Also given that,
V=5V
Thus rearranging the equation for current I we get,
I=RnetV
Then by substituting the values we get,
I=55=1A
Therefore the current out of the battery is 1 ampere.
Note: Since this is the simplest circuit and explaining a simplest concept, ohm's law can be considered as one of the fundamental laws of physics. This law can be applied to many electrical circuits. Using Ohm’s law we can also calculate the power delivered in the circuit. This law could also give an empirical relation which describes conductivity. There are some materials which doesn’t obeys Ohm’s law and known as non-ohmic.
