Question
Question: Two masses \(m_1 = 5kg\) and \[m_2 = 10kg\] ,connected by an inextensible string over frictionless p...
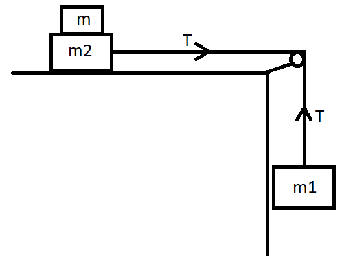
Two masses m1=5kg and m2=10kg ,connected by an inextensible string over frictionless pulley, are moving as shown in the figure. The coefficient of friction of the horizontal surface is 0.15. The minimum weight m that should be put on the top of m2 to stop the motion is:

A) 43.3kg
B) 10.3kg
C) 18.3kg
D) 27.3kg
Solution
Just remember if we want to stop the movement of any part in a mechanical arrangement, the net force acting on them must be in an equilibrium manner. So consider the system as in equilibrium condition to solve this problem.
Complete step by step answer:
First of all define all the data given in the question,
m1=5kg
m2=10kg
Coefficient of friction, μ=0.15
For solving this problem, we consider this whole mechanical arrangement is in equilibrium condition; and we are considering the equilibrium condition separately for the hanging mass ( that is, m1) and the mass placed on the table (that is, m2+m)
Net force acting on the hanging mass:
We know, a string followed by a frictionless pulley is holding the mass m1 in an equilibrium state, that is, no movement is happening to mass m1 . As it is hanged, the forces acting on that mass will be in an upward direction or downward direction. Here the force acting on the mass m1 are gravitational force which is in downward direction and the tension on the string which is the upward direction. As the mass m1 is in equilibrium, these forces are equal, that is,
T=m1×g …………………………. (Eqn. 1)
Here, T=Tension Acting on the string, g=Gravitational constant
Net force acting on the mass placed on the table:
Here we consider the mass m2&m as a single mass (m2+m) . The forces acting on (m2+m) are Frictional force and the tension on the spring. As the mass (m2+m) is in equilibrium, these forces are equal and opposite.
Frictional force acting on mass(m1+m), f equals,
f=μ×N
Here, N- Normal force acting on mass (m2+m) which is equal to,
N=(m2+m)×g
∴f=μ×(m2+m)×g
We already know, the frictional force is equals to the tension on the string,
∴T=f=μ×(m2+m)×g
Applying the value of Tfrom (Eqn.1), we get,
T=μ×(m2+m)×g=m1×g
g gets cancelled and applying the other values we get,
⇒0.15×(10+m)=5
⇒10+m=0.155
⇒m=0.155−10
⇒m=23.33kg
Now we get the minimum mass which should be placed above mass m2 is 23.33kg.
The mass placing above m2 should be equal or greater than 23.33kg.
So, the final answer is Option(D).
Note: When we are dealing with the problems of these types, take the net forces acting on the mechanical arrangement as zero. The coefficient of friction is a dimensionless quantity. Do not apply all the values in the early steps, as some of the values may get cancelled later. This will help to reduce the difficulty.
