Question
Question: Two blocks A and B of masses \(2m\) and \(m\) respectively are connected by a massless and inextensi...
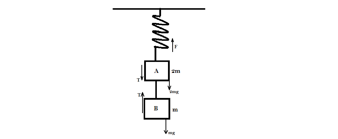
Two blocks A and B of masses 2m and m respectively are connected by a massless and inextensible string. The whole system is suspended by a massless spring as shown in the figure. The magnitude of the acceleration of A and B immediately after the string is cut are respectively

A) g,2g
B) 2g,g
C) g,g
D) 2g,2g
Solution
Use newton’s second law of motion. In the figure, the system is in equilibrium therefore all the forces are balancing each other. Tension in the string is balanced by the force mg for the B block and the force 2mg+mg is balanced by the force F of the spring. Use these equations to find the acceleration for both blocks.
Complete step by step solution:
Step 1: In the above figure we can see that the gravitational force on the block B of mass m is balanced out by the tension T in the string because of the mass m . Therefore we can write it as
∴T=mg ……equation (1).
Step 2: Since both the blocks are connected and are hanged by a spring. Therefore the total amount of force balanced out by the spring will be mg+2mg . If the force applied by the spring is F to keep the system in equilibrium then
∴F=mg+2mg
⇒F=3mg…….equation (2).
Step 3: Now if the string is cut then the tension in the string will disappear and block B start falling. The force which is acting on block B is the only gravitational force. Therefore we can write
∴mg=ma , where a is the acceleration of the block
⇒a=g
Step 4: When the string is cut, immediately the spring pulls block A upwards. Now because the direction of the motion is opposite to the direction of the gravitational force, therefore if the acceleration of the block is a then,
∴F−2mg=2ma
But F=3mg . Therefore, substitute the value of F in the above equation
∴3mg−2mg=2ma
⇒mg=2ma
⇒a=2g
Therefore the magnitude of the acceleration of A and B immediately after the string is cut are respectively 2g and g .
Hence the option B is correct.
Note: In the question, the magnitude of the acceleration is asked for both blocks. For block A the acceleration will be negative as the gravitational force works downwards while the block is moving upwards. But when we take the magnitude of a negative quantity it becomes positive since the negative sign is only for the direction. The magnitude of the acceleration is a scalar quantity that does not have the direction.
