Question
Question: Three masses of \[1kg,6kg{\text{ and }}3kg\]are connected to each other with threads and are placed ...
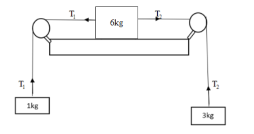
Three masses of 1kg,6kg and 3kgare connected to each other with threads and are placed as shown in the figure. What is the acceleration with which the system is moving? (Takeg = 10ms−2)

A. zero B. 1ms−2 C. 2ms−2 D. 3ms−2
Solution
Hint: For the given diagram, first we need to convert it into a free body diagram where we can see all the forces acting on the various masses and the tensions in the string due to these masses. From the diagram, we can write equations to find the required acceleration in the system.
Formula used:
The weight of an object or gravitational force acting on an object is given as
F=mg
Here m is the mass of the body while g represents the acceleration due to gravity. This force produces tension T in the string if the mass is connected to some other mass through a string.
Newton’s second law is given as
F=ma
Here a is the acceleration produced in a body of mass m by a force F.
Complete step by step answer:
Let us consider 3 masses connected as shown in the figure.
Let m1 = 1kg, m2 = 6kg and m3 = 3kg and acceleration of the system is a and tension in the string are T1 and T2 as shown in the figure.
So first let us consider forces on m1 from free body diagram-
T1−m1g=m1a …… (1)
Similarly, on m2 it is given by:
T2−T1=m2a …. (2)
And equation of motion of m3 is
m3g−T2=m3a ….. (3)
On adding these three equations we get
T1−m1g=m1a \+ T2−T1=m2a \+ m3g−T2=m3a
Substituting the known values, we get,
a=(1+6+3)(3−1)10ms−2 a=102×10=2ms−2
Thus, the correct answer is option B.
Note: While writing an equation of motion of an object, students may get confused which force to consider first and which one to subtract. Consider equation (3), it is-
m3g−T2=m3a but if you write T2−m3g=m3a you will get wrong answer because whenever there are two forces acting on an object the mass will be accelerated in the resultant force direction.
So, it is always higher force – lower force = resultant force along with which body accelerates.
