Question
Question: Three identical bulbs A, B and C are given. What changes occur in the brightness of the bulbs A and ...
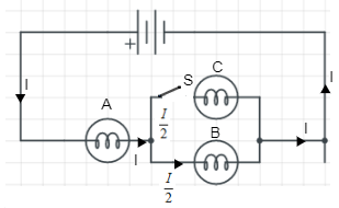
Three identical bulbs A, B and C are given. What changes occur in the brightness of the bulbs A and B when the switch s is closed?

A. Brightness of A increases but that of B decreases.
B. Brightness of A remains the same but that of B decreases.
C. Brightness of both A and B decreases.
D. Brightness of both A and B increases.
Solution
In order to find a solution of this question we follow basic principle of series joint and the parallel joint when the current flow in the series joint the current will be same in every resistance but when joint is in parallel current flow will divide equally in every resistance.
Formula used:
IA=IB
Complete step by step solution:
→ Now we will see the first condition when the switch is open.
→ Assume that current flowing in the circuit is I.

→ As shown in the figure current flow in the bulb c will be zero when switch s is open.
→ Hence bulb A and B will be in series with each other so we can say that current flow in both of them is the same hence brightness of bulb A and B is the same.
IA=IB
→ Now let’s check the second condition when the switch s is closed.

→ Now in this case current flow in bulb A is the same as in the first case so the brightness of bulb A will not change.
→ Now the switch is closed so bulb B and C will be in parallel so that the current I will divide in bulb B and C hence the current flow in the bulb B will be lesser as compared to the bulb A.
IA>IB
→Hence we can say that brightness of bulb B has decreased.
→ So we can conclude that option (B) is correct.
Note:
We can get confused in option A and B that current in A is greater than in current B so the brightness of A increases but as I mentioned in both cases separately that current is the same in both the cases so that brightness of bulb A remains the same.
