Question
Question: The turn’s ratio of the transformer used in a bridge rectifier is 10 : 1. The primary is connected t...
The turn’s ratio of the transformer used in a bridge rectifier is 10 : 1. The primary is connected to 220V , 50Hz power mains. Find the output DC voltage, PIV of the diode and ripple frequency under no-load condition assuming the voltage drop across the diode to be zero.
Solution
Here the output voltage of the transformer will be the input to the bridge rectifier. This suggests that the line voltage of the secondary coil of the given transformer will be the input to the bridge rectifier. The turn’s ratio is proportional to the voltage ratio of the transformer. Ripple frequency refers to the frequency of the residual ac voltage present in the rectified output. The PIV rating refers to the maximum voltage that the diodes in the given bridge rectifier can withstand without breaking down. For the given bridge rectifier, PIV will be the peak voltage of the secondary coil.
Formulas used:
-The dc voltage under the no-load condition for a bridge rectifier is given by, Vdc=π2vm where vm is the maximum value of the input voltage.
-The PIV rating of the diode in a bridge rectifier is given by PIV=vm where vm is the maximum value of the input voltage of the rectifier.
-The ripple frequency of a bridge rectifier is given by, ripple frequency=2f where f is the frequency of the input voltage.
-The voltage across the secondary coil of a transformer is given by, Vs=(NpNs)Vp
Complete step by step answer.
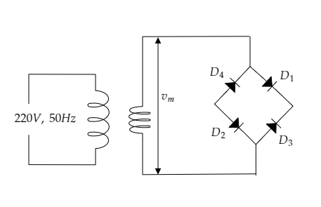
Step 1: Sketch a diagram representing the arrangement of the transformer and the bridge rectifier and list the parameters given in the question.

In the above figure, a step-down transformer is connected to the bridge rectifier so that the voltage across the secondary coil acts as the input to the rectifier.
Let Vp=220V and Np be the power supply voltage and the number of turns of the primary coil.
Let Vs and Ns be the voltage and the number of turns of the secondary coil.
The turn’s ratio of the transformer is mentioned to be 10 : 1.
⇒NsNp=110
The frequency of the power supply voltage is given to be f=50Hz .
Step 2: Express the relation between the voltage ratio and the turn’s ratio of the transformer.
The voltage ratio and the turn’s ratio of the transformer are equal.
⇒VsVp=NsNp
So the voltage across the secondary coil is given by, Vs=(NpNs)Vp -------- (1)
Substituting for NpNs=101 and Vp=220V in equation (1) we get, Vs=101×220=22V
Thus the input supply to the rectifier is Vs=22V .
Now the maximum voltage of this input supply will be vm=2Vs=2×220=31⋅12V .
Since the PIV rating of the diode in a bridge rectifier is equal to the peak voltage of the input supply we have PIV=vm=31⋅12V .
Step 3: Express the relation for the dc voltage under no-load condition.
The dc voltage under the no-load condition for a bridge rectifier is given by,
Vdc=π2vm ------- (2)
Substituting for vm=31⋅12V in equation (2) we get,
Vdc=π2×31⋅12=19⋅81V
Thus the dc voltage under no-load condition is obtained to be
Vdc=19⋅81V .
Step 4: Express the relation for the ripple frequency of the output voltage of the rectifier.
The ripple frequency of the output of the given bridge rectifier can be expressed as
ripple frequency=2f --------- (3)
Substituting for f=50Hz in equation (3) we get,
ripple frequency=2×50=100Hz .
Thus, the ripple frequency of the output voltage is 100Hz.
Note: A bridge rectifier converts an AC voltage into a DC voltage. Here we assume the transformer to be a step-down transformer and so the input voltage of the rectifier will be the stepped-down voltage of the transformer. The frequency of the power supply voltage and the input voltage of the bridge rectifier is the same. The ripple frequency is the double of the input frequency.
