Question
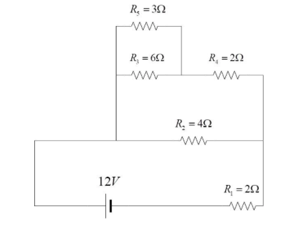
Question: The power dissipated across resistor \({R_5}\) in the network given below is +R4))
Let us substitute the values one-by-one and determine the resistance by applying the above formula for the net resistance.
R3//R5=R3+R5R3R5=3+63×6=918=2Ω
R3//R5+R4=2+2=4Ω
R2//((R3//R5)+R4)=4//4=4+44×4=816=2Ω
Finally, the net resistance is the series combination of R1 with the above combination.
R=R1+2=2+2=4Ω
The net current is given by –
I=RV=412=3A
In a parallel combination, the current branches depending on the resistances in the branches.
The current flowing through the combination R2//((R3//R5)+R4) and R1 is the same since they are in series.
The current branches in the parallel combination of R2 and R3//R5+R4 .
The branch current is calculated by the formula, I1=R1+R2IR2
Applying the branch current formula to the combination of R3//R5+R4, we have –
IR3//R5+R4=IC3=(R3//R5+R4)+R2IR2=4+43×4=812=23A
Now, the current IC3 flowing through the parallel combination R3//R5 and R4 is the same since they are in series. This current branches in the parallel combination.
The branch current, I5=R3+R4IC3R3=6+323×6=99=1A
Hence, the power across R5 ,
P=I52R5=12×3=1×3=3W
Hence, the correct option is Option A.
Note: The formula for derivation of branch current is as follows:
If R1 and R2 are in parallel, the current through resistor R1 , is given by –
I1=R1V
where V = potential difference across the combination.
The potential difference across the combination is given by –
V=IRp
where I = current in main branch and Rp = net resistance of combination
Rp=R1+R2R1R2
Substituting,
V=IR1+R2R1R2
Thus,
I1=R1V
I1=R1I×R1+R2R1R2=R1+R2IR2