Question
Question: The potential difference across \( 8 \) ohm resistance is \( 48 \) volt as shown in the figure. The ...
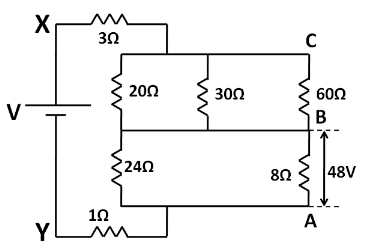
The potential difference across 8 ohm resistance is 48 volt as shown in the figure. The value of potential difference across X and Y points will be

(A) 128 volt
(B) 160 volt
(C) 80 volt
(D) 62 volt
Solution
Hint : To solve this question, we need to assume a battery between the points X and Y of emf equal to the unknown potential difference. Then we have to simplify the circuit by calculating the parallel equivalent resistance.
Complete step by step answer
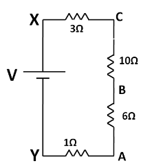
Let the potential difference across X and Y points be V . So let us consider a battery of emf V connected across the points X and Y as shown in the figure below.

According to the question, the potential difference across the 8 ohm resistance is equal to 48 volt. So referring to the above figure, the potential difference between the points A and B is 48 volt. According to the polarity of the battery, the point B should be at a higher potential than the point A. So we have
⇒VBA=8V ……………………….(1)
Now, the 24Ω and 8Ω resistances are in parallel combination across the point A and B. So the equivalent resistance between the points A and B, RAB is given by
⇒RAB1=81+241
On solving we get
⇒RAB=6Ω
Also, across the points B and C, the 20Ω,30Ω,60Ω resistances are arranged in parallel combination. So the equivalent resistance across the points B and C is given by
⇒RBC1=201+301+601
On solving we get
⇒RBC=10Ω
So the above circuit can be redrawn as

Now, let I be the current in the circuit. From Ohm’s law we have
⇒V=IR ..........................(2)
Now, the equivalent resistance in the circuit is given by
⇒R=3Ω+10Ω+6Ω+1Ω
⇒R=20Ω
So from (2) we have
⇒V=20I
⇒I=20V ........................(3)
The potential difference across the points A and B is equal to that across the 6Ω resistance. Therefore we have
⇒VBA=6I
From (3)
⇒VBA=206V ........................(4)
Equating (1) and (4) we have
⇒206V=48
⇒V=160V
Thus, the potential difference between the points X and Y is equal to 160 volts.
Hence, the correct answer is option B.
Note
The points X and Y are not shown to be connected through any battery in the figure given in the question. But the potential difference which is given across the 8 ohm resistance clearly indicates that a voltage source must be present there. Hence we were able to assume the battery between X and Y.
