Question
Question: The minimum value of \(\mu \) for which the system remains at rest once it has stopped for the first...
The minimum value of μ for which the system remains at rest once it has stopped for the first time is:

A.31 B.31 C.21 D.21
Solution
First we need to draw the free body diagram for the given system which will tell us about the various forces acting on this system. On the basis of the diagram, we need to write equations of motion for the system. Solving these equations, we may obtain the required answer.
Complete step-by-step answer:
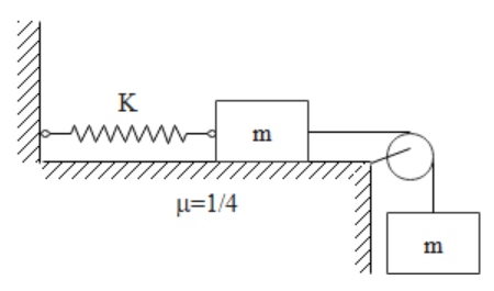
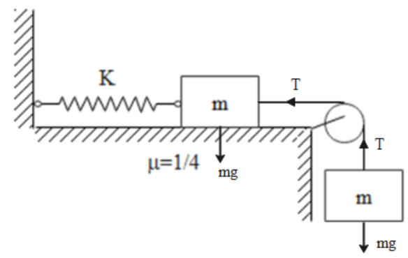
Let us draw the free body diagram for the given system of masses and the spring.

The various forces acting on the system involve the force due to weights of the masses and corresponding tension T in the string and a force due to stretching of the spring of force constant K.
There is motion in the system towards the right as the spring stretches.
For the first block ( one that is directly connected to the spring ), we can write the following equation:
T−μmg−kx=ma...(i)
Here T is the tension in the string, μ is the coefficient of friction between the block and the surface while a is the acceleration of the mass.
Similarly, we can write the following equation for the second mass:
mg−T=ma...(ii)
Now we want to see what happens when acceleration of the system becomes zero. Then a = 0, by using this in equations (i) and (ii), we get
