Question
Question: The equivalent capacitance across \(A\) and \(B\) is: 
A. 328 μF
B. 215 μF
C. 15 μF
D. None of these
Solution
To find out the capacitance of the given circuit, the first step must be to simplify the circuit by drawing the capacitances that are in series or in parallel. The next step would be to find the equivalent capacitance of the circuit by simplifying the capacitances in series and in parallel. The last step would be to find the equivalent capacitance of the complete circuit.
Complete step-by-step answer:
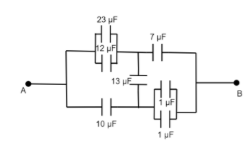
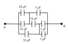
Let us first draw a simplified circuit.

Now, the next step would be to find the equivalent capacitance of capacitors that are connected in parallel and capacitances that are connected in series. Equivalent capacitance of capacitors in series is as follows:
Ceq1=C11+C21
Equivalent capacitance of capacitors in parallel is as follows:
Ceq=C1+C2
Now, let us further simplify the circuit by finding the equivalent capacitances:

Since the ratio of:
1035=27
Hence the 13 μF capacitor can be neglected. Now the circuit will look like:

Now let us calculate the equivalent capacitance for the capacitors that are connected in series:
