Question
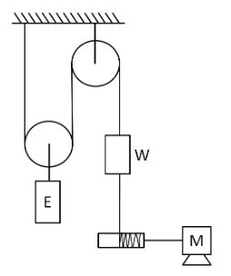
Question: The elevator E has a mass of \( 3000kg \) when fully loaded and is connected as shown to a counterwe...
The elevator E has a mass of 3000kg when fully loaded and is connected as shown to a counterweight W of mass 1000kg. Determine the power in kilowatts delivered by the motor

(i) When the elevator is moving down at a constant speed of 3m/s,
(ii) When it has an upward velocity of 3m/s and a deceleration of 0.5m/s2.
Solution
To solve this question, we need to find out the force applied by the motor in each case and also its velocity. For this we have to consider the free body diagram of each of the weight and the elevator. Finally applying the formula for the power will give the required answer.
Formula used: The formula which is used to solve this question is given by,
P=Fvcosθ, here P is the power, F is the force, v is the velocity and θ is the angle between the force and the velocity vectors.
Complete step by step answer
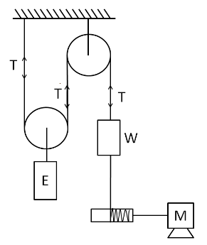
Let the tension in the string, which is common in both the pulleys, be T, as shown below.

Now, for determining the power supplied by the motor, we have to find out the velocity of the motor. As the elevator is moving downwards in both the cases, so we let the velocity of the elevator be v downwards, as shown in the below figure.

Let the velocity of the left string A be vA and that of the right string B be vB.
Since the string A is connected to the fixed end, so its velocity must be zero.
∴vA=0
Now, applying writing constraint relation for the elevator, we get
vA+vB=2v
⇒0+vB=2v
So the velocity of the B string becomes
vB=2v …………………...(1)
Now, since the motor is connected to the string B through the block B, so its velocity is equal to the string B. Therefore the velocity of the motor is
vM=2v …………………...(2)
We consider the free body diagram of the elevator E as shown below.

As the elevator is moving at a constant speed, so its acceleration is zero. This means that the elevator should be in equilibrium. Therefore from the above figure we have
T+T=3000g
⇒2T=3000g
Substituting g=10m/s2 we get
2T=30000
Dividing both sides by 2
T=15000N …………………...(4)
Now we consider the free body diagram of the counterweight W.

Here F is the force applied by the motor. As the block is moving with a constant velocity, so it is in equilibrium. So we have
T=F+1000g
⇒T=F+10000
From (4)
15000=F+10000
⇒F=5000N
According to the question, the velocity of the elevator is
v=3m/s
From (2) the velocity of the motor is
vM=2×3=6m/s
We know that the power is given by
P=Fvcosθ
As the force and the velocity are opposite directions, so θ=180∘. Therefore the power is
P=5000×6×cos180∘
⇒P=−30000W=−30kW
This time, the elevator is moving upwards with a velocity of 3m/s. So from (3) the velocity of the motor becomes
vM=2×3=6m/s …………………...(4)
Also, the elevator has a deceleration of 0.5m/s2. Since the elevator is moving upwards, the acceleration must be downwards. Now we consider the free body diagram of the elevator.

From Newton’s second law of motion we have
3000g−(T+T)=3000×0.5
⇒30000−2T=1500
On rearranging, we get
2T=30000−1500
⇒T=14250N …………………...(5)
Differentiating both sides of (1) we get
dtdvB=2dtdv
As the acceleration of the elevator is 0.5m/s2 upwards, so we have dtdv=0.5m/s2. Substituting this above, we get
dtdvB=1m/s2
So the acceleration of the string B is 1m/s2 downwards. As the weight W is directly connected to this string, so its acceleration is 1m/s2 upwards.
Now we consider the FBD of the weight W.

From Newton’s second law of motion we have
T−F−1000g=1000×1
⇒T−F−10000=1000
From (5)
14250−F−10000=1000
⇒F=3250N
Now, from the power formula we have
P=Fvcosθ
As the force and the velocity are in the same direction so θ=0∘. So we have
P=3250×6cos0∘
⇒P=19500W=19.5kW.
Note
While calculating the power, we must not ignore the signs. For that we need to consider the angle between the force and the velocity vector.
