Question
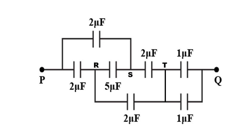
Question: The effective capacitances between the points P and Q of the arrangements shown in the figure is ...
The effective capacitances between the points P and Q of the arrangements shown in the figure is

a) 21μF
b) 1μ F
c) 2μ F
d) 1.33μ F
Solution
In series connected capacitors, charge is the same of all capacitors. So, total voltage is equal to the sum of individual voltages across capacitors. In parallel connected capacitors, charge is the same of all capacitors. So, total charge is equal to the sum of individual charges across capacitors.
Formula Used:
For two capacitors in series, we will use-
Ceq=C1+C2C1×C2
C: -Capacitance
For two capacitors in parallel, we will use-
Ceq=C1+C2
Complete answer:
We have given a circuit containing capacitors. So, we need to find the equivalent capacitor. The point T wire has zero current so, we can remove this and the two capacitors between T and Q are parallel to each other so we just add on two capacitors.

Now we will make an equivalent circuit.

As we see in the above diagram, we can see the Wheatstone bridge is formed, so we can remove the 5μ F capacitor.

Two sets of 2μ F capacitors are in series so,
Ceq=2+22×2=1μF

Two 1μ F capacitors are in parallel. So,
Ceq=1+1=2μF
Now, simplified circuit between point P and Q is-

Now, two 2μ F capacitors are in series.
So, equivalent resistance between P and Q is
Ceq=2+22×2=1μF
Option (b) is correct.
Additional Information:
In series, each capacitor has an identical charge flow from the battery. +Q charge proceeds from the positive terminal of the battery to the left primary capacitor plate, and it attracts –Q charge on the right plate, or we can say, -Q charge moves from the battery to the right plate, and it attracts +Q on the left plate.
Note:
Capacitors can be connected in two ways, either in series or in parallel. The voltage is the same on the capacitors connecting in parallel. The charge is identical on the capacitors connecting in series. In a parallel circuit, the overall capacitor is always less than any branch capacitor.
