Question
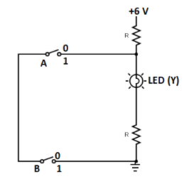
Question: The correct Boolean operation represented by the circuit diagram drawn is: ![](https://www.vedantu...
The correct Boolean operation represented by the circuit diagram drawn is:
A. AND
B. OR
C. NAND
D. NOR
Solution
Create a truth table for the above circuit, so that from the truth table you can predict the Boolean operation that is being depicted in the above circuit. Check all the possibilities of combination for A and B, such that a proper answer can be achieved.
Complete step by step answer:
For this circuit, we will make a truth table that depicts all the possible values for A and B and the resultant Y value.
The truth table for the above circuit can be depicted as:
A | B | Y |
---|---|---|
0 | 0 | 1 |
0 | 1 | 1 |
1 | 0 | 1 |
1 | 1 | 0 |
From the above table it can be predicted that the Boolean operator depicted by the circuit diagram is a NAND gate.
So, the correct answer is “Option C”.
Additional Information:
In computer science, a Boolean expression is an expression used in programming languages that produces a Boolean value when evaluated. A Boolean value is either true or false. A Boolean expression may be composed of a combination of the Boolean constants true or false, Boolean-typed variables, Boolean-valued operators, and Boolean-valued functions.
Boolean expressions correspond to propositional formulas in logic and are a special case of Boolean circuits
Note:
Truth table is a very strong tool to get the answer for any circuit related question, it helps to take all the cases into consideration without affecting the flow of the current in the circuit. Any questions related to Boolean operation are asked, then first draw the truth table for that and then it will be easy to move forward in the question.