Question
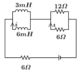
Question: The circuit shown here is in its steady state. Time constant of the circuit is L2 are connected in parallel to each other then, net inductance can be found mathematically as,
Lnet1=L11+L21
And if two resistances connected in parallel to each other the mathematical formula of net resistance is given a Rparallel1=R11+R21 while when resistance connected in series it’s given by Rseries=R1+R2 .
Complete step by step answer:
Let us first find net inductance of two inductors having inductance of L1=3mH and L2=6mH which are connected in parallel combination, so
Lnet1=L11+L21
⇒Lnet1=31+61
⇒Lnet1=189
⇒Lnet=2mH→(i)
Now, as we see from the circuit the resistances 6Ω and 12Ω are in parallel combination so,
Rparallel1=R11+R21
⇒Rparallel1=61+121
⇒Rparallel1=7218
⇒Rparallel=4Ω
Now, this net resistance of Rparallel=4Ω is in series combination of remaining 6Ω resistance, so
⇒Rnet=Rparallel+R6Ω
⇒Rnet=4+6
⇒Rnet=10Ω→(ii)
Now, from using equation (i)and(ii) put this value on time constant formula as
τ=RnetLnet
⇒τ=4Ω2mH
∴τ=0.2ms
So, the time constant has a value of τ=0.2ms
Hence, the correct option is B.
Note: It should be remembered that, a steady state is one when the inductor gets fully charged and no more current flows across the inductor. And if two inductors are connected in series with each other then their net inductance is calculated as Lnet=L1+L2 . The ms in the τ=0.2ms stands for micro seconds where 1microsec=10−6sec.