Question
Question: The 120N force is applied as shown to one end of the curved wrench. If \[\alpha = 30^\circ \], calcu...
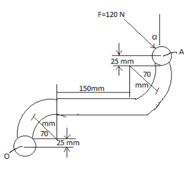
The 120N force is applied as shown to one end of the curved wrench. If α=30∘, calculate the moment of F about the center O of the belt. Determine the value of α which would maximize the moment about O, state the value of this maximum moment.

Solution
Use the equation for the moment of force in terms of the force and the perpendicular distance between point of action of force and the point about which the moment of force is to be determined. Use the horizontal and vertical components of force to calculate the final moment of force. Use the condition for the maximum moment of force and again determine the required angle and moment of force.
Formula used:
The moment of the force is given by
τ=Fr⊥ …… (1)
Here, τ is the moment of force, F is the force and r⊥ is the perpendicular distance between the point of action of the force and the centre of the circular arc around which moment of force vector is acting.
The angle α between the components of the moment of force and moment of force τ is given by
α=tan−1(τxτy) …… (2)
Here, τx and τy are the horizontal and vertical components of the moment of force.
Complete step by step answer:
The given diagram in terms of components of force is as follows:

In the problem, it is given that the force F=120N is acting to one end of the wrench.We can see that in figure, the force has two components Fsinα and Fcosα in horizontal and vertical directions respectively.Let us calculate the perpendicular distance rh between the horizontal force Fsinα and the point O.
rh=(25mm)+(70mm)+(70mm)+(25mm)
⇒rh=190mm
The perpendicular distance between the horizontal force Fsinα and the point O is 190mm.
Let us calculate the perpendicular distance rv between the vertical force Fcosα and the point O.
rv=(70mm)+(150mm)+(70mm)
⇒rv=290mm
The perpendicular distance between the vertical force Fcosα and the point O is 290mm.
Now we can determine the moment of force by adding the moment of horizontal and vertical components of force.
τ=Fsinαrh+Fcosαrv
Substitute 120N for F, 30∘ for α, 190mm for rh and 290mm for rv in the above equation.
τ=(120N)sin30∘(190mm)+(120N)cos30∘(290mm)
⇒τ=41500N⋅mm
⇒τ=41.5N⋅m
Hence, the moment of force about the center of the belt is 41.5N⋅m.
The value of the moment of force will be maximum only when the force is perpendicular to OA (the line joining point of action A and center of belt O).
Let us now determine the angle α for which moment of force will be maximum.
Substitute (120N)(190mm) for τy and (120N)(290mm) for τx in equation (2).
α=tan−1((120N)(290mm)(120N)(190mm))
⇒α=tan−1(290190)
⇒α=33.2∘
The value of maximum moment of inertia τmax for the determined value of angle α.
τmax=Frh2+rv2
Substitute 120N for F, 190mm for rh and 290mm for rv in the above equation.
τmax=(120N)(190mm)2+(290mm)2
⇒τmax=41603.85N⋅mm
∴τmax=41.6N⋅m
Hence, the maximum moment of force is 41.6N⋅m for the angle 33.2∘.
Note: One can also determine the angle for which the moment of force on the system is maximum by taking the derivative of the moment of force τ with respect to angle α and equating it to zero. Also, the students may forget to convert the unit of the final moment of force in the SI system of units as the distances in the diagram are given in millimeters.
