Question
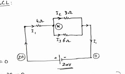
Question: KCL: $I_2$ 3$\Omega$ 4$\Omega$ $I_1$ x $I_3$ 6$\Omega$ $I_1$ 20V 20 0...
KCL: I2 3Ω 4Ω I1 x I3 6Ω I1 20V 20 0

A
The value of current I1 is 310A.
B
The value of current I1 is 5A.
C
The value of current I1 is 2A.
D
The value of current I1 is 10A.
Answer
The value of current I1 is 310A.
Explanation
Solution
The circuit consists of a 20V battery connected to a 4Ω resistor in series with a parallel combination of a 3Ω and a 6Ω resistor.
- Calculate the equivalent resistance of the parallel resistors: Rparallel=3Ω+6Ω3Ω×6Ω=918Ω=2Ω
- Calculate the total resistance of the circuit: Rtotal=4Ω+Rparallel=4Ω+2Ω=6Ω
- Calculate the total current I1 flowing from the battery using Ohm's Law: I1=RtotalV=6Ω20V=310A
- At node 'x', Kirchhoff's Current Law (KCL) states that the sum of currents entering the node equals the sum of currents leaving the node. Thus, I1=I2+I3.
Given the ambiguity of the question "KCL:", and assuming a numerical answer is expected in the context of JEE/NEET, the most fundamental current to solve for is I1.
