Question
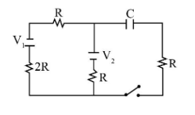
Question: In the transient current circuit shown, the time constant is: 
(1) 35RC
(2) 25RC
(3) 47RC
(4) 37RC
Solution
We will use the concept of Thevenin’s theorem to reduce the given network into its simplest form. We will also use the expressions for equivalent resistance when two resistors are in parallel or series combinations. Also, the time constant of the given circuit is equal to the product of capacitance and equivalent resistance of the given circuit.
Complete step by step answer:
According to the concept of Thevenin’s theorem, we can replace several voltages by a single power supply and several resistances by one single resistance, which is connected in series with the load.
We can write the expression for equivalent resistance by analyzing the circuit from the right-hand side, short circuit all the voltages, and opening the resistance R at extreme right.
The equivalent of two resistors connected in series is given by:
Rs=R1+R2…….(1)
The resistors of resistances R and 2R are connected in series, therefore substituting R for R1and 2R for R2the above expression.
