Question
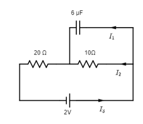
Question: In the steady-state, find the charge on the capacitor shown in the figure  4μC
B) 5μC
C) 6μC
D) None
Solution
We can find the Requivalent as the two resistances are connected in series which helps us to find the current flowing through the circuit. This current will help us to find the voltage across the 10Ωresistance. After finding the voltage, we can use the formula Q=CV.
Formula used:
Rseries=R1+R2 (when the resistance are in series)
V=iR( where V is the voltage across the circuit, i be the current in the circuit and R be the resistance)
Q=CV(where Q is the charge of the capacitor, V be the voltage across the capacitor and C be the capacitance of the capacitor)
Complete step by step answer:
We have given a circuit in a steady-state condition. We know that in steady-state conditions no current flows through the capacitor.
In the figure, there are two resistances (R1=10Ω and R2=20Ω ) connected in series. So, the equivalent resistance (Requivalent)will be-
Requivalent=10+20=30Ω
In the given figure, the potential difference (V=2V )is connected in the circuit. So, the current(i ) flow through the circuit is given as-
i=302 A
(Where i=RequivalentV)
Now, the voltage drop across the 10Ω resistance is given as,
V′=iR
⇒V′=302×10
⇒V′=32 V
Which is equal to the voltage across the capacitor.
According to the figure, the charge in the capacitor of capacitance C=6μC will be given as,
Q=CV′
Q=6×10−6×32
⇒Q=2×10−6×2
⇒Q=4×10−6
⇒Q=4μC
(1μC=10−6C )
Hence option (A) is correct.
Note:
In steady-state conditions no current flows through the capacitor. The voltage across the 10Ω resistance is equal to the voltage across the C=6μC capacitance.