Question
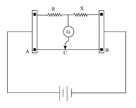
Question: In the meter bridge shown, the resistance X has a negative temperature coefficient of resistance. Ne...
In the meter bridge shown, the resistance X has a negative temperature coefficient of resistance. Neglecting the variation in other resistors, when current is passed for some time, in the circuit balance point should be shifted towards:

(A) A
(B) B
(C) First A then B
(D) It will remain at C
Solution
The question uses the concept of the Wheatstone bridge, so you should know the balanced condition for the circuit. Also, this question uses the relation between temperature and resistance, which share an inverse relationship. So when the temperature increases, the resistance of the wire decreases. So when you put this concept in the balanced condition of the Wheatstone bridge, you will get the correct answer.
Complete step by step answer:
We already know that, when current flows through the wire, heat is produced and the temperature of the wire increases. As the resistance X has a negative temperature coefficient, so when the current passes through the resistance X , the temperature of the resistance increases. Due to the increase in the temperature, the resistance of X gets decreased.
In the meter bridge, we know that the balanced condition is given as,
XR = BCAC.
We saw that the resistance of X will decrease. So, in order to keep the ratio equal or equivalent, BC should decrease and on other hand, AC should increase. This means that the distance between the balance point of the circuit and B will decrease.
Since, the distance gets decreased, which means that balance point should be shifted towards B .
So, the correct answer is “Option B”.
Note:
Meter Bridge works on the principle of Wheatstone bridge, so you need to apply it correctly. Moreover, the balance condition for the circuit should be applied appropriately. Further, you should know about the negative temperature coefficient and the factors on which the resistance of a wire depends.
