Question
Question: In the given circuit, the readings of voltmeters \(V_1\) and \(V_2\) are \(300\;V\) each. The readin...
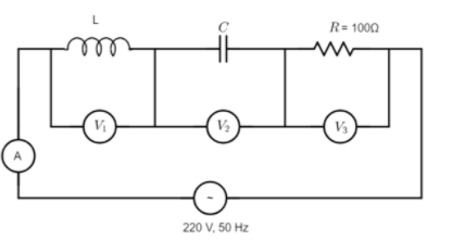
In the given circuit, the readings of voltmeters V1 and V2 are 300V each. The reading of the voltmeter V3 and ammeterA are respectively:

A). 100V, 2.0A
B). 150V, 2.2A
C). 220V, 2.2A
D). 220V, 2.0A
Solution
Sketch out a phasor diagram for the alternating voltages across each of the circuit elements of the given series LCR circuit. Then determine the potential difference across the resistor from the phasor diagram, provided that the voltage across the inductor and capacitor are out-of-phase with respect to each other. To this end, determine the reading on the ammeter given that the current through it will be due to the current through the resistor.
Formula Used:
Ohm’s Law: I=RV
Complete step-by-step solution:
We know that the circuit given to us is a series LCR-circuit, which is a resonant circuit consisting of an inductor (L), a capacitor (C) and a resistor (R). Each element is connected in parallel with a voltmeter that measures the voltage drop across it. The working of this circuit can be better understood by employing the use of phasors.
Phasors are a graphical representation of the magnitude and directional relationship between two or more alternating quantities and are usually modelled in the cartesian plane. The potential across the inductor and capacitor and the current flowing through all elements are alternating with time and are usually represented as sinusoidal functions of angular frequency of oscillations and time. We can thus use phasors for the analysis of the LCR circuit.
The series LCR circuit given to us has a single loop (besides the voltmeters) with the same instantaneous current flowing through the loop for each circuit element. However, this means that the individual voltage drops across each circuit element will be out-of-phase with each other, i.e., if instantaneous current is defined as:
I(t)=Imaxsin(ωt)
Then the instantaneous voltage across the resistor VR will be in-phase with current,
The instantaneous voltage across the inductor VL will lead the current by 2π or 90∘, and
The instantaneous voltage across the capacitor VC will lag behind the current by 2π or 90∘.
Therefore, VL and VC are π or 180∘ out of phase and in opposition to each other, as shown in the phasor diagram below.

We have ∣VL∣=V1=300V, ∣VC∣=V2=300V, ∣VR∣=V3 and Vsupply=200V
From the diagram we see that VL and VC are opposite to each other and since they have the same magnitude, they get vectorially cancelled out.
Now, the resultant of VR, VL and VC is nothing but the supply voltage, i.e.,
Vsupply=∣VR2∣+(∣VL∣−∣VC∣)2
⇒200=V32+(300−300)2
⇒200=V32
⇒200=V3
Therefore, since the entire 200V flows through the resistor, then the net impedance offered to the series LCR circuit will be only due to the resistor, i.e.,
Z=R
Therefore, the current through the ammeter will be due to the current through the resistor, i.e.,
I=ZVsupply=RVsupply=100220=2.2A
Thus, the correct choice would be C. 220 V, 2.2 A
Note: Though this might have not been the case in the above problem, the inductor and the capacitor also usually impart a certain amount of impedance or resistance to the flow of current. The resistance offered by the inductor is called the inductive reactance and is denoted as:
XL=Lω, whereL is the inductance and ω is the angular frequency of the inductor.
The resistance offered by the capacitor is called as the capacitive reactance and is denoted as:
XC=Cω1, whereC is the capacitance of the capacitor.
IfR is the resistance offered by the resistor, then the net impedance of the circuit is given as:
Z=R2+(XL−XC)2
Similarly, since V∝R, the net voltage drop or the supply voltage across the circuit will be:
V=VR2+(VL−VC)2, as we’ve seen before.
