Question
Question: -In the given circuit the current flowing through the resistance is \(20\;{\rm{ohms}}\) is \(0.3\;{\...
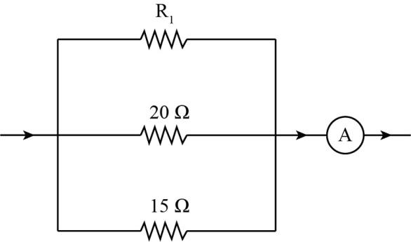
-In the given circuit the current flowing through the resistance is 20ohms is 0.3ampere while the ammeter reads 0.8ampere. What is the value of R1 in ohms?

Solution
Here, first we analyze the circuit and then approaches to next step. The voltage through the 20ohms resistance is equal to the voltage across the circuit. It gives us the equivalent resistance of the circuit. We can see that the all three resistances are in parallel with each other. Then we will use the formula for resistances in parallel to find the value of resistance R1.
Complete step by step answer:
Given: We have three resistances in the given circuit. The resistances are R2=20ohms , R3=15ohms and R1. The current flowing through the resistance of R2=20ohms is I2=0.3ampere. The total current in the ammeter is I=0.8ampere.
The current through the ammeter is given, the potential across the ammeter will be equal to the voltage across R2=20ohms resistance because all three resistance are in parallel with each other.
V2=V
Here, V is the potential across the ammeter and V2 is the potential across the resistance of 20 ohms.
I2R2=ReqI
Here, Req is the equivalent resistance of the circuit.
We substitute the values in above relation,
0.3×20=Req×0.8 ⟹6=Req×0.8 ⟹Req=0.86 ⟹Req=215ohms
We write the formula for the resistance in parallel to find the resistance R1.
Req1=R11+R21+R31
Now, we substitute the values in above relation,
152=R11+201+151 ⟹R11=608−3−4 ⟹R11=601
We perform cross multiplication and multiply R1 to 1 and 60 to 1. It gives us the value of resistance R1.
Then, we write the obtained value of R1.
R1=60ohms
Therefore, the value of resistance R1 is 60ohms.
Note:
In this question, the students must have the knowledge of potential difference and knowledge of the term diode. This question can alternatively be solved by Kirchhoff's voltage law. Kirchhoff’s gives two laws, first current law and voltage law. Kirchhoff’s current law states that the summation of all the current in the circuit is equal to zero. And Kirchhoff’s voltage law states that the summation of all the voltage in the circuit is equal to zero.
