Question
Question: : In the following common emitter configuration an n-p-n transistor with current gain \[\beta = 100\...
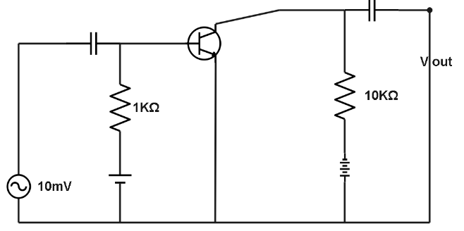
: In the following common emitter configuration an n-p-n transistor with current gain β=100 is used. The output voltage of the amplifier will be:

A. 10mV
B. 0.1V
C. 1.0V
D. 10V
Solution
The configuration in which the emitter is connected between collector and base is called a C-E (common emitter) configuration. Here we will apply the formula of current which is defined as the ratio of collector current to base current and then putting into the equation we will get the required answer.
Formula used:
β=iBiC=ViV0
Where, β is the current gain, iC is the current flowing into the collector terminal, iB is the current flowing into the base terminal, V0 is the output voltage and Vi is the input voltage.
Complete step by step answer:
We know that, voltage gain is the product of current gain and resistance gain i.e.,
Voltage gain=β×RiRo
According to the question,
β=100
⇒Ro=10
⇒Ri=1
Now putting the value in above formula,
Voltage gain=100×110
And we know that voltage gain is ViV0 .
So,
ViV0=100×110 ⇒V0=1000×10×10−3
As (10mV=10×10−3V)
∴V0=10V
So, the output voltage of the amplifier is 10V.
Hence, the correct option is D.
Note: NPN transistors most preferred over PNP transistors due to the following reasons:
Carrier Mobility: The majority carriers in NPN transistors are electrons unlike in PNP transistors where the majority charge carriers are holes. Electrons move far more easily than holes within the crystal lattice. As a result, they have higher mobility and operate faster providing a much better level of performance.
Negative Grounding: Over the years, a negative ground has become standard and the polarity of NPN transistors means that the basic transistor configurations operate with a negative ground.
