Question
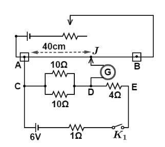
Question: In the circuit shown in the figure, the potential difference between the points \(C\) and \(D\) is b...
In the circuit shown in the figure, the potential difference between the points C and D is balanced against 40cm length of potentiometer wire of total length 100cm In order to balance the potential difference between the points D and E, the jockey should be pressed on potentiometer wire at a distance of

A. 16cm
B. 32cm
C. 56cm
D. 80cm
Solution
A potentiometer is a device which is used to determine the potential difference across unknown battery by balancing the jockey over the 100cm length wire, in order to find the balancing length we use the concept of potential gradient which is the ratio of potential difference per unit of length denoted by K=lV.
Complete step by step answer:
Let V be the potential difference across point C and D and length of balancing jockey is l1 hence, potential gradient is
K=l1IR1
Now, l2 be the length of balancing jockey for the potential difference between points D and E hence, potential gradient is
K=l2IR2
Compare both equations we get,
l1IR1=l2IR2
⇒l2=(R1R2)l1
Now, R1 is the total resistance of net parallel combination of 10Ω each and calculated as:
R1=10+1010×10
⇒R1=5Ω
And, from the figure R2=4Ω, l1=40cm putting these values we get,
l2=(54)40
∴l2=32cm
So, the balancing length of the jockey should be pressed at a distance of l2=32cm
Hence, the correct option is B.
Note: It should be remembered that, the parallel combination of two resistances gives the net resistance is calculated by using the formula Rnet1=R11+R21 and also, the two 10Ω resistances and the one with 4Ω resistance are connected in series so, same current I passes through both of them.
