Question
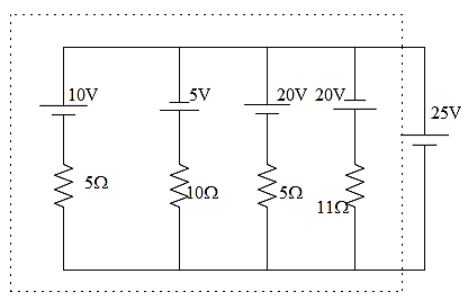
Question: In the circuit shown in the figure, the current flowing through \(25V\) cell will be given as, 
A.7.2AB.10AC.12AD.14.2A
Solution
First of all let us find out the equivalent resistance of the circuit. Then find the electric potential should be found out by taking the product of current through the circuit and the equivalent resistance of the circuit. Use Kirchhoff's law for the second loop in the figure. And find the current through the cell. Hope these will help you in answering this question.
Complete answer:
It has been given that the voltage of the cells in the circuit is given as,
E1=10VE2=5VE3=20VE4=20V
The value of the resistances of the resistors given in the circuit can be written as,
r1=5Ωr2=10Ωr3=5Ωr4=11Ω

This is equivalent to,

As the resistors are connected parallel in the circuit will give,
The equivalent resistance can be calculated as,
req1=r11+r21+r31+r41
Substituting the values in it will give,
req1=51+101+51+111
Let us simplify the obtained equation now,
req1=52+101+111=104+101+111req1=11065req=1.69Ω
Therefore the value of the equivalent resistance is obtained.
The equivalent voltage can be calculated now. The electric potential should be found out by taking the product of current through the circuit and the equivalent resistance of the circuit. That is,
The current through each of the component is given as,
I=rE
The equivalent voltage of the circuit will be given as,
Eeq=Ireq
That is,
Eeq=(r1E1+r2−E2+r3E3+r4E4)req
The negative sign for some of the terms are due to the opposite way off connection of the cell.
Substituting the values in it will give,
Eeq=(510+10−5+520+11−20)×1.69
Simplifying the equation will give,
