Question
Question: In the circuit shown in the figure, the charge on the capacitor of \( 4\mu F \) is \( 16\mu C \) . C...
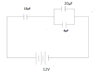
In the circuit shown in the figure, the charge on the capacitor of 4μF is 16μC . Calculate the energy stored in the capacitor of 12μF capacitance.

Solution
Hint : In order to solve this question, we are going to first calculate the equivalent capacitances of the two capacitors 20μF and 4μF , then, as we are given the charge on the capacitor 4μF , so, the voltage can be calculated, and as this combination is in series with capacitor 12μF , and thus, energy is calculated.
Complete Step By Step Answer:
The voltage across the capacitor is given as:
V=CQ
Where Q is the charge stored in the capacitor of the capacitance C , V is the voltage
The energy stored in the capacitor is
E=21CV2
Complete step by step solution: Let us start by considering the capacitors, we get
The equivalent capacitance of the capacitors 20μF and 4μF is:
C=20μF+4μF=24μF
As the charge stored in the capacitor of 4μF is 16μC , the voltage across it is:
V = \dfrac{Q}{C} \\\
\Rightarrow V = \dfrac{{16}}{4} = 4V \\\
Thus, the voltage across the capacitors 20μF and 4μF is 4V
As the capacitors 12μF and the parallel combination of the capacitors 20μF and 4μF are in series, so the voltage across the capacitor 12μF is
(12−4)V⇒8V
The energy stored in the capacitor of 12μF capacitance can be calculated using the formula
E=21CV2
Putting the values of the capacitance and the voltage, we get,
E = \dfrac{1}{2} \times 12 \times {\left( 8 \right)^2} \\\
\Rightarrow E = 384J \\\
Note :
It is important to see that the capacitors that are present in series combination have the different voltages while the combination of the capacitors that are present in the parallel combination have the same voltages across them. The energy stored in the capacitors depends on the voltage and the capacitance values.
