Question
Question: In the circuit shown in the figure, current measurements of ammeter \( {A_1} \) and \( {A_2} \) are ...
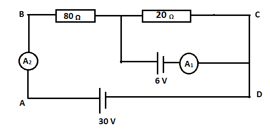
In the circuit shown in the figure, current measurements of ammeter A1 and A2 are respectively.

(A) 0A,0.3A
(B) 0.2A,0.3A
(C) 0.3A,0.4A
Solution
The first thing we should do here is to identify the nodes or the junction points in the circuit and label each of them. We should also analyze where the current is dividing and label them as I,I1,I2 accordingly. Now, count the number of loops and apply Kirchhoff’s voltage law in each loop and solve the equations to get the desired value. One should keep Ohm's law into consideration while solving the question.
Complete Step By Step Answer:
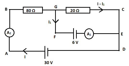
We label the nodes or junction points in the circuits with variables A,B,C,D,E,F and G as shown in the figure.

Let I be the current that flows in the loop ABCD . But, as this current I encounters node G , it gets divided into I1 in the GFE branch and I−I1 in the GCE branch as they are in parallel combination. Therefore, the current measured by ammeter A1 will be I1 and ammeter A2 will measure the current I .
Now, we consider the loop ABCD and apply Kirchhoff’s Voltage Law we get,
30V=80I+20(I−I1)
⇒30V=100I−20I1.........(1)
Similarly, apply Kirchhoff’s Voltage Law in loop CEFG we get,
6V=20(I−I1)
⇒6V=20I−20I1......(2)
We have to solve equations (1) and (2) to find the value of two variables I and I1 . For that, first, we have to multiple the whole equation (2) by 5 , we get,
30V=100I−100I1......(3)
We will now subtract equation (3) from equation (1) we get,
30V−30V=(100I−20I1)−(100I−100I1)
⇒0=80I1
⇒I1=0A
Substituting the value of I1 in equation (2) we get,
6V=20(I−0)
⇒6V=20I
⇒I=0.3A
So, option A is the correct answer.
Note:
Both Kirchhoff’s Voltage Law and Kirchhoff’s current law can be applied to solve this type of question.
Kirchhoff’s Voltage Law states that the sum of all the potential differences along a closed loop is zero. While traversing a loop either clockwise or anti-clockwise, if potential increases, put a positive sign in expression and if potential decreases, put a negative sign.
Kirchhoff’s Current law is derived using the law of conservation of charge. It states that the sum of the currents meeting at a point of the circuit is zero i.e. total current entering the circuit is equal to the total current leaving the junction.
