Question
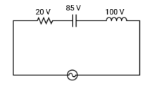
Question: In the circuit shown in Figure, the p.d.s across the various elements are shown. What is the magnitu...
In the circuit shown in Figure, the p.d.s across the various elements are shown. What is the magnitude of the applied voltage?

Solution
Hint : Magnitude is defined as 'distance or quantity' in basic terms. It represents the actual or relative scale or direction in which an object travels in the sense of motion.
We have to find the magnitude of applied voltage in the given circuit by using the values of the rms voltage measured across the resistor R , the rms voltage measured across the inductor L , and the rms voltage measured across the capacitor C .
Vnet=VR2+(VL−VC)2
Complete Step By Step Answer:
Using the above formula, we can find the magnitude of applied voltage in the given circuit.
Vnet=VR2+(VL−VC)2
Where, Vnet represents the magnitude of the applied voltage,
VR represents the rms voltage measured across the resistor R ,
VL represents the rms voltage measured across the inductor L , and
VC represents the rms voltage measured across the capacitor C
Now we substitute the values of VR , VL and VC in the above equation.
We get,
Vnet=(20)2+(100−85)2 =(20)2+(15)2 =400+225 =625 =25
We found that Vnet=25V
Therefore, the magnitude of the applied voltage is equal to 25 volts.
Additional Information:
The highest voltage mentioned in electricity transmission is 1200KV . China currently uses the maximum voltage of 800KV and is working on a 1100KV system. In the first step, Powergrid will construct a 380 kilometer 1200 volt transmission line from Deoli to Aurangabad.
Note :
It's not a smart idea to plug a 220V unit into a 110V socket. If you did, the appliance is most likely to be damaged or destroyed. If your system lacks a motor, it will operate poorly, using half the energy used. If the system has a motor, the lower voltage will cause it to malfunction.
