Question
Question: In the below figure, find the output voltage, if the op-amp is ideal 
A.−7V
B.−6V
C.−1V
D.6V
Solution
To find the output voltage, we will use Ohm's law at different points of the circuit. Since the resistors are in parallel at the input terminal, we will find the current flowing through the respective resistance and then will add the current to find the final current flowing through the resistor at the output terminal. Then with the help of this final current and the resistance at the output terminal, we will find the output voltage.
Complete step by step answer:
Given:
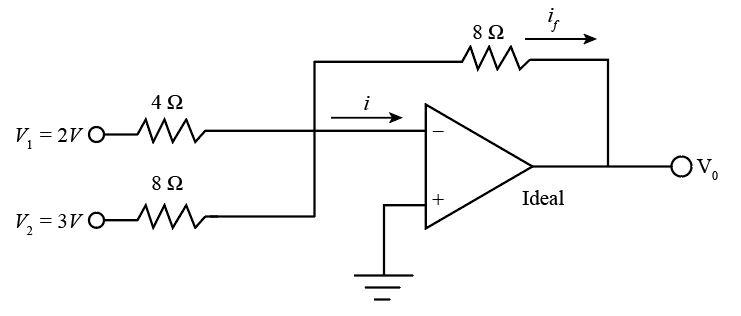
The circuit consists of three resistors R1=4Ω ,R2=8Ω and Rf=8Ω .
The voltages at the input terminal are V1=2V , V2=3V and represents the voltage at the output terminal.
We can write the expression for current flowing through resistor R1 from the ohm’s law as
V1=i1R1
We rearrange the above expression as
i1=R1V1
Similarly, we can write the expression for current flowing through resistor R2 from the ohm’s law as
V2=i2R2
We rearrange the above expression as
i2=R2V2
Since resistance R1and R2are parallel so the current i1 and i2 will add up to give the final current if which can be expressed as:
if=R1V1+R2V2
We will substitute 4Ω for R1 , 8Ω for R2 , 3V for V1 and 2V for V2 in the above expression.
if=8Ω3V+4Ω2V if=(83+4)A if=0.875A
Now to find the value of Vo, we will write the relation between if and Rf from the ohm’s law and from the above figure.
Vo=−ifRf
We will substitute 8Ω for Rfand 0.875Afor ifin the above expression.
Vo=−(8Ω)(0.875A) Vo=−7V
Therefore, the output voltage in the op-amp is −7V
So, the correct answer is “Option A”.
Note:
Op-amp stands for operational amplifier. It can be categorised as a device which amplifies voltage and works with the external feedback components like resistors or capacitors from its input terminal to output terminal. This amplifier gives response only to the difference between voltages and doesn’t consider their individual values. The current at the input terminal is zero since it has high impedance.
