Question
Question: In series LR circuit \({X_L}\) = R and power factor of the circuit is \({P_1}\) when capacitor with ...
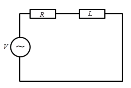
In series LR circuit XL = R and power factor of the circuit is P1 when capacitor with capacitance C such that XL=XC is put in series, the power factor becomes P2 calculate P2P1
Solution
This is the content of Before finding the ratio of power factor in RL circuit to that of RLC circuit firstly we will define the term power factor R,L,C are nothing but the passive elements present in electrical circuits and either dissipates or store the electrical energy .
Complete step-by-step answer:
Impedance- impedance is the measure of the opposition presented by a circuit to a current when applying a voltage. Impedance extends the resistance concept to circuits with alternating current (AC). Impedance has both magnitude and phase, unlike resistance which has magnitude only.
It is denoted by Z.
RL circuit- It is a first-order circuit, composed of one resistor and an inductor.

The impedance for RL circuit is given by
Z=R2+(ωL)2
Whereas, RLC circuit- it is the network of electrical elements in which resistor, inductor and capacitor are present and it is of 2nd order.

The impedance of RLC circuit is given by
Z=R2+(ωL)2+(ωC)21
Power Factor- It is defined as the ratio of the real power upon apparent power. The power closer to unity means more useful power and apart from unity means less useful power.
Given
P1 When (XL=R)
Therefore, the power factor of the circuit is given by
P1=ZR
Where
P1 is the power factor
Z is the impedance
⇒P1=R2+X2R=2R2R=21
New power factor P2 when XL=Xc
