Question
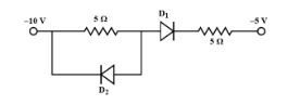
Question: In each of the following circuit diagrams identify which diode is (are) forward biased?  forward biased?

(A) Only D2
(B) Only D1
(C) Both D1 andD2
(D) NeitherD1 norD2
Solution
Check the direction of flow of current from the given potential difference.
Check from which side the current is entering and leaving the diode.
Complete step by step solution:
When we apply an external voltage across the diode in such a way that the p-side of the semiconductor is connected to the positive side of the battery and the n-side of the diode is connected to the negative then the diode is said to be forward biased. In other words if the current in the diode enters from the p-side, then it is forward biased. If the current in the diode enters from the n-side, then the diode is said to be reverse biased.
In the above circuit, the voltage on the right is greater than the voltage on the left side, thus, the current will flow from right to left side in the circuit.
For D1, the current enters from n-side and leaves from the p-side which implies that the diode will be reverse biased.
For D2, the current enters from the p-side and leaves from the n-side which implies that the diode will be forward biased.
Thus the answer will be a, only D2.
Hence the correct option is (A)
Additional information: In forward bias the resistance in the circuit decreases and hence more current flows in the circuit. In reverse bias, the resistance increases and hence less current flow in the circuit.
NOTE: For these types of questions, check which side has higher potential, the current flows from that direction, if you encounter the p-side first for the diode then it is forward biased, if you encounter the n-side first then it will be reverse biased.
