Question
Question: In a transformer, the coefficient of mutual inductance between primary and secondary coil is 0.2 H. ...
In a transformer, the coefficient of mutual inductance between primary and secondary coil is 0.2 H. When the current changes by 5 Na in the primary, then the induced era in the secondary will be:
A. 0.5 V
B. 1 V
C. 1.5 V
D. 2.0 V
Solution
The transformer works on the principle of mutual inductance. The mutual inductance is a phenomenon in which there is a change in the emf in the second coil due to the change in flux in the primary coil.
Complete step by step answer:
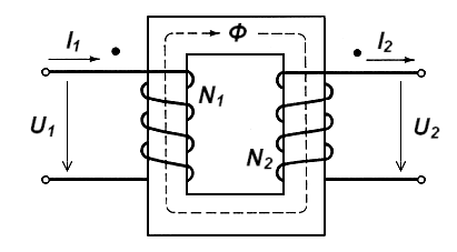
The transformer consists of two coils wound on a soft-core. They are completely insulated from each other. The coil on the left is called the primary coil where the input AC voltage is applied. The coil on the right is called the secondary coil where the output AC voltage is realized.

The number of turns on these coils are not the same. These coils are wound differently, based on the purpose of the transformation. The number of turns in the primary coil is N1 and the number of turns in the secondary coil is N2.
Let I1 be the current flowing through the primary coil of turns N1, it sets up a magnetic flux in the secondary coil of turns N2. Let us denote the flux linkage by ϕ2. As per the principle of mutual induction, this flux linkage is directly proportional to the current in the primary coil.
N2ϕ2∝I1
Removing the proportionality constant, we get –
N2ϕ2=M12I1
where M12 is called the coefficient of mutual inductance or just mutual inductance and measured in henry (H).
The induced voltage in the secondary coil:
e=Mdtdi
Given, the change in current, dtdi=5
Also, mutual inductance, M=0.2H
Therefore, the induced voltage in the secondary coil is:
e=Mdtdi
On substituting the corresponding values, we get
e=0.2×5=1V
The induced emf in the secondary coil is 1V. Hence, the correct option is Option B.
Note:
There are two kinds of transformers – Step-up and Step-down transformers.
In the step-up transformer, the number of turns in the primary is lesser than that of the secondary coil. This is used for increasing the voltage by the ratio of the number of turns.
In the step-down transformer, the number of turns in the primary is greater than that of the secondary coil. This is used for decreasing the voltage by the ratio of the number of turns.
