Question
Question: In a series \(RL\) circuit, \({\rm{12}}\;{\rm{V}}\) rms is the voltage across the resistor, and \({\...
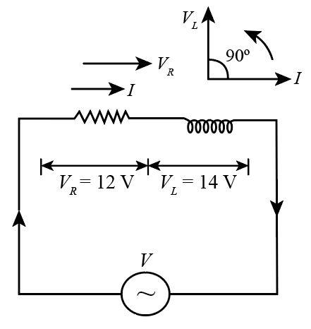
In a series RL circuit, 12V rms is the voltage across the resistor, and 14V rms is the voltage across the inductor. The peak value of the source voltage is
A.20V
B.18.4V
C.26.0V
D.2V
Solution
To find the value of the peak value of the source voltage, we will derive the relation between root mean square voltage and voltage across resistor and inductor. Then, we will find the root mean square voltage by substituting the values of voltage across a resistor and inductor. We will then use the relation between root square voltage and maximum voltage to find the peak value of source voltage.
Formula used: We will use the expression for root mean square velocity.
Vrms=(VL)2+(VR)2
Where Vrms is the root mean square voltage, VL is the voltage across the inductor and VRis the voltage across the resistor.
Also, we will use the relation between rms voltage and maximum voltage.
Vmax=2Vrms
Complete step by step answer:
Given:
The voltage across the resistor is VR=12V .
The voltage across the inductor is VL=14V.
Let us say V represents the source voltage in the circuit and Vrms is the root mean square voltage.
We will assume R as the ohmic resistance and L as the inductance in series. Also, we will assume I as the current flowing in the circuit.

Now, we will write the expression for the emf V which is applied by the source voltage as
V=Vosinωt

We will now write the expression for the potential difference across the inductance L due to current I.
VL=IXL
where XL is the inductive reactance.
Then, we will now write the expression for the potential difference across the resistance R due to current I.
VR=IR
We know that I and VR are in the same phase but VL lead VR by 90∘ .

Hence, we can write
Vrms=(VL)2+(VR)2
Now we will substitute 12Vfor VRand 14V for VL in the above expression.
Vrms=(12V)2+(14V)2 Vrms=144+196V Vrms=18.43V
We know that the peak value of source voltage is the 2 times of Vrms. This can be expressed as:
Vmax=2Vrms
We will substitute 18.43Vfor Vrms in the above expression.
Vmax=2×18.43V Vmax=26.07V
Therefore, the peak value of the source voltage is 26.07V
So, the correct answer is “Option C”.
Note:
We can define the peak value of the voltage as the maximum voltage that the alternating quantity has during a complete one cycle. Maximum voltage is another term used for the peak voltage. Generally, Sinusoidal quantity has its peak value at 90∘. Also, root mean square values can be found out by finding the square root of the average or mean value of the squared function.
