Question
Question: In a meter-bridge experiment with resistance \({{R}_{1}}\) in the left gap and resistance \(X\) in ...
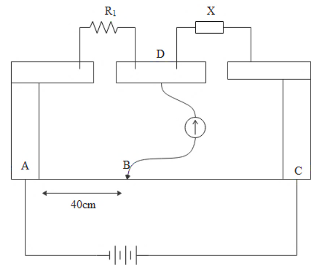
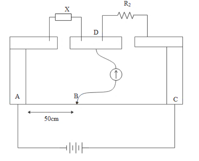
In a meter-bridge experiment with resistance R1 in the left gap and resistance X in the right gap, the null point is obtained at 40cm from the left end. With a resistance, R2 in the left gap, and the same resistance X in the right gap, the null point is obtained at 50cm from the left end. Where will be the null point if R1 and R2 are put first in series and then in parallel, in the left gap and right gap still containing X?
Solution
The length of the meter bridge wire is one metre. Analyze the cases explained in the equation using the equation of the meter bridge. Obtain the values of the resistances from the equations and apply them in the third case. These all may help you to solve this question.
Complete step-by-step solution:
The equation of the meter bridge is given by the Wheatstone principle,
X=LR(100−L)
Where R be the known resistance, X be the unknown resistance, L be the balancing length.

The first cases can be expressed as,
40R1=60X
Simplifying the equation,
R1=32X
Where the balancing length is given as,
L=40cm
In the second case, we can write that,
As the balancing length is given as,
L=50cm

Substituting this in the equation,
50R2=50X
Simplifying the equation,
R2=X
So now both the value of the resistances have been obtained.
So now let us take the condition where the resistance is in series connection,
y1R1+R2=100−y1X
Where y1 be the null point in this condition,

Substitute the values of resistances in the equation,
