Question
Question: If work done by string on block A is W. shown in the given arrangement, then the work done by the st...
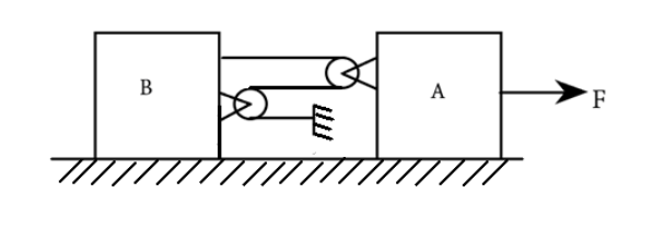
If work done by string on block A is W. shown in the given arrangement, then the work done by the string on block B is

(A) −W
(B) 3−2W
(C) 32W
(D) 2−3W
Solution
The total length of the string is constant. The distance increase from the fixed point of one will result in a corresponding decrease in the other.
Formula used: In this solution we will be using the following formulae;
W=Fd where W is the work done by a force on a body, F is the force acting on a body and d is the distance moved by the body while the body acts on it.
Complete Step-by-Step Solution:

Let the distance between the two blocks be d. The let the distance of the left block to the fixed point be x, and the distance of the right block to fix point be y such that their sum is the distance from each other
Hence, if the block A is pulled, then the distance y changes. But since the total length of the string is constant, the distance x must reduce correspondingly.
Then Δy=−Δx
Now, since it’s the same string, the tensions in each line of the string are all equal to say T. This means that the total tension acting on block A will be 2T (because the lines connected to A are 2).
Similarity, the tension on the block B will be 3T
Work done on an object is W=Fd where F is the force acting on a body and d is the distance moved by the body while the body acts on it.
Work done on A is
W=2T×Δy
⇒Δy=2TW
Then the work done on B would be
W=3T×Δx=3T×−Δy
⇒3T×−(2TW)=−23W
Hence the correct option is C
Note: For clarity, we can prove that Δy=−Δx as follows.
The distance between the blocks is the sum of x and y as in
d=x+y
By finding the derivative (which gives the instantaneous change of the quantities), we get
0=dx+dy (since the length of the string is constant, the distance between the blocks cannot increase)
dy=−dx
⇒Δy=−Δx
