Question
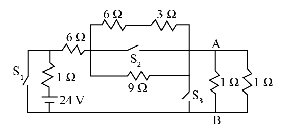
Question: If the switches \[{S_1}\],\[{S_2}\] and \[{S_3}\] in the figure are arranged such that current throu...
If the switches S1,S2 and S3 in the figure are arranged such that current through the battery is minimum, find the voltage across points A and B. (rounded off to nearest integer)

Solution
The above problem can be resolved by undertaking the circuit analysis for the given circuit diagram and applying the concept of the series as well as the parallel connections of the resistors accordingly. In the first switch, the resistor is connected in series with the net resistance across the switch second. Similarly, the third switch is also in series with that of the second and the first.
Complete step by step answer:
As we know that when all the switches in an electrical circuit are opened, then the magnitude of the current through the battery will be minimal.
The current through the circuit is given as,
I=RnetV
Here, V is the source of the voltage supply and its value is given as 24 V. And Rnet is the net resistance across the terminals A and B.
As the 6Ω resistance and the 3Ω resistance above S2 is in series and together forms a parallel
connection with the 9Ω resistance. Then the net resistance at S2 is,
