Question
Question: If the electric field components due to electric charge in cube shown in figure are \[{E_x} = 600{x^...
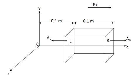
If the electric field components due to electric charge in cube shown in figure are Ex=600x21 and Ey=0 and Ez=0, then charge within the cube ______

Solution
We are asked to find the total charge within the cube. To find the total charge, first we need to find the net flux through the cube. To find out the net flux, you will need to use Gauss law to find the flux through the faces of the cube and then use these values to find the charge within the cube.
Complete step by step answer:
Given the electric field components due to the electric charge in cube,
Ex=600x21 and Ey=0 and Ez=0
The side of the cube is d=0.1m
To find the charge within the cube, we will first find the electric flux through the cube.
From Gauss law, we have the formula for electric flux through a surface as,
ϕ=E.A=EAcosθ=εoq …………(i)
where E is the electric field, A is the area, θ is the angle between area vector A and electric field vector E, q is the total charge within the closed surface and εo=8.854×10−12C2m - 2N - 1 is permittivity of free space.
The formula for area of each face of the cube is
A=a2 …………...(ii)
where a is the side of the cube

We find the electric flux through the left face (L) of the cube.
The angle between electric field Ex and area vector of left side of cube AL is 180∘.
Electric flux through left face (L) of the cube will be (using equation (i)),
ϕL=ExALcos(180∘) (iii)
The area AL using equation (ii), is
AL=d2
Putting the values of AL and Ex in equation (iii), we get
ϕL=600x21d2cos(180∘)
For face L, the value of x is 0.1m, putting this value and the value of d in above equation we get
ϕL=600(0.1)21(0.1)2cos(180∘)
⇒ϕL=600(0.316)(0.01)(−1)
⇒ϕL=−1.896Nm2C - 1
Now, we find the electric flux through the right face (R) of the cube.The angle between electric field Ex and area vector of left side of cube AL is 0∘.
Electric flux through right face (R) of the cube will be (using equation (i)),
ϕR=ExARcos(0∘) …………....(iii)
The area AR using equation (ii), is
AR=d2
Putting the values of AR and Ex in equation (iii), we get
ϕR=600x21d2cos(0∘)
For face R, the value of x is (0.1m+0.1m)=0.2m, putting this value and the value of d in above equation we get
ϕR=600(0.2)21(0.1)2cos(0∘)
⇒ϕR=600(0.447)(0.01)(1)
⇒ϕR=2.683Nm2C - 1
The electric flux through other faces will be zero as the electric field along the y-axis and z-axis is zero.So, the net electric flux through the cube will be just addition of flux through L and R face.
∴ϕ=ϕL+ϕR
Putting the values of ϕL and ϕR we get,
ϕ=−1.896+2.683
⇒ϕ=0.787Nm2C - 1 ……....(iii)
From equation (i), we have,
ϕ=εoq
⇒q=ϕεo
Putting the values of ϕ and εo we get,
q=(0.787)(8.854×10−12)
⇒q=6.96×10−12C
∴q≈7×10−12C
Therefore, the charge within the cube is 7×10−12C.
Note: Before applying Gauss law always check whether the surface is a closed surface or not as, Gauss law is applicable only for closed surfaces and applying Gauss law we can find the total charge within a closed surface. The closed surface through which the flux is obtained is called Gaussian surface.
