Question
Question: If each diode in figure has a forward resistance of \(25{\text{ }}\Omega \) and infinite resistance ...
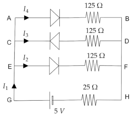
If each diode in figure has a forward resistance of 25 Ω and infinite resistance in reverse bias, what will be the values of the current I1, I2, I3 and I4?

Solution
As in reverse bias condition, the resistance is infinite, so from the figure, CD is in reverse bias hence no current flows there. AB and EF are parallel to each other so the currents in both these circuits are the same. We have found the effective resistance of the combined circuit from AB and EF which are in parallel and GH in series. Then Ohm's Law found out the total current in the circuit with the help of the values given in question. Lastly splitting up the total current into its distributed ones as per the rules of parallel combination.
Complete step by step answer:
Since, in reverse biased condition the resistance is infinite, thus from the given figure we find out that I3=0 as CD is in reverse biased condition. Now, AB and EF are parallel to each other.
Total resistance in AB=125+25=150 Ω
And total resistance in EF=125+25=150 Ω
Let their combined resistance be R,
R=resistance in (AB + EF)resistance in (AB×EF)
⇒R=150+150150×150=75 Ω
As, AB and EF are parallel to each other then, I2=I4
Net resistance in the circuit=75+25=100 Ω
As per the given circuit I3=0 so, I1 is split up into two equal currents I2 and I4 as they are in parallel combination.
Thus, I2=I4=2I1
From Ohm’s Law we get,
V=IR−−−(1)
In the given figure potential difference V=5 V
I=I1= to be found
R=resistance of the circuit=100 Ω
Substituting the values in equation (1) we get,
5=I×100=0.05
So, I1=0.05 Ω
And I2=I4=2I1=20.05=0.025 Ω
So, finally the values of I1=0.05 Ω, I2=0.025 Ω, I3=0 Ω and I4=0.025 Ω.
Note: As the diode in the circuit CD is in reverse condition, where the resistance is infinite according to the question, so the current CD is zero. In a parallel combination, an equal amount of current splits up from the main current. There is always an individual resistance in diodes rather than in the circuit.
