Question
Question: Identify the circuit in which the electrical components have been properly connected. (A). (a) (...
Identify the circuit in which the electrical components have been properly connected.
(A). (a)
(B). (b)
(C). (c)
(D). (d)
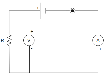
(a)
(b)
(c)
(d)
Solution
A circuit is a connection in which different electrical components are connected and operate. The circuit comes in play when the circuit is complete or closed and the electrical components can only operate if they are connected properly. Ammeter and voltmeter are electrical components used to measure current and potential in a circuit respectively.
Complete solution:
An electrical circuit must be a closed circuit in order for current to flow through it. If any of the components are not connected properly, it can result in an open circuit.
Ammeter is a device which is used to measure the current in a circuit. It has very low resistance so as to facilitate the passing of current through it. Ammeter is always connected in series as the current is the same in series. The ammeter is connected with its positive terminal with the positive of the battery and the negative is connected to the other side.
Voltmeter is a device which is used to measure the potential difference across two points in a circuit. The voltmeter has very high resistance, it is connected in parallel between the points of which the potential is to be measured as in parallel combination of two electrical components, the potential is the same.
Therefore, the circuit in which ammeter is connected in series and voltmeter is connected in parallel to the resistor and ammeter is connected with its positive terminal to the resistor and negative terminal to the other end is the correct circuit.

Hence, the correct option is (B).
Note:
The resistor is a device which opposes the flow of current through it. Check if the scale of ammeter and voltmeter are proper. Do not add or remove components in the circuit while the switch is closed. Make sure to connect the right terminals or else the circuit will remain open.
