Question
Question: How many NAND gates are used to form AND gates? A. 2 B. 3 C. 4 D. 1...
How many NAND gates are used to form AND gates?
A. 2
B. 3
C. 4
D. 1
Solution
The semiconductor logic gate, on the other hand, functions as a high-gain voltage amplifier that sinks a small current at its input and outputs a low-impedance voltage. A semiconductor logic gate's output and input are not connected, so current cannot pass through them.
Complete answer:
A logic gate is an idealised model of computing or a physical electronic system that implements a Boolean function, which is a logical operation that generates a single binary output from one or more binary inputs.
A NAND gate (NOT-AND) is a logic gate in digital electronics that produces a false output only if all of its inputs are true; thus, its output complements that of an AND gate. Only if all of the gate's inputs are HIGH (1) does a LOW (0) output result; if any input is LOW (0), a HIGH (1) output occurs.
The AND gate is a simple digital logic gate that executes logical conjunction; it acts in accordance with the truth table to the right. Only if all of the AND gate's inputs are HIGH does it produce a HIGH output (1). If none of the AND gate's inputs are HIGH, the output is LOW.

Truth table of NAND gate is,
| Input A | Input B | Output Q |
|---|---|---|
| 0 | 0 | 1 |
| 0 | 1 | 1 |
| 1 | 0 | 1 |
| 1 | 1 | 0 |

Truth table of AND gate is,
| Input A | Input B | Output F |
|---|---|---|
| 0 | 0 | 0 |
| 0 | 1 | 0 |
| 1 | 0 | 0 |
| 1 | 1 | 1 |

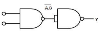
Using two NAND gates one can make an AND gate.
Note: Diodes or transistors serve as electrical switches in logic gates, but they can also be built with vacuum tubes, electromagnetic relays (relay logic), fluidic logic, pneumatic logic, optics, molecules, or even mechanical components. Amplification allows the creation of a physical representation of all of Boolean logic, and therefore all of the algorithms and mathematics that can be represented with Boolean logic, in the same manner that Boolean functions can be composed.
