Question
Question: How many gates are required for a \(1\) to \(8\) multiplexer?...
How many gates are required for a 1 to 8 multiplexer?
Solution
The multiplexer is defined as the circuit that can select one of several inputs with output. In the telephone network, the multiplexer is used to unify severely audio signals into a single line. It is also known as MUX and in simple terms, multiplexer means many to one, it is a logic gate that plays a quite crucial role in modern-day electronics.
Complete step by step answer:
A multiplexer is a simple circuit used as a switch that connects multiple inputs to a single output as shown in figure 1.

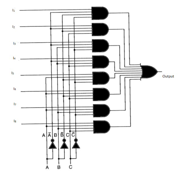
In this I0 and I1 are two inputs whereas A is used to select the respective input with output.For example, if A is zero or low then the input will be connected to I0. Similarly, if A is 1 then the input I1 will be connected to the output. Hence this will operate for 2: 1 multiplexer similarly for 8 to 1 or 1 to 8 multiplexer the circuit diagram is as shown below.

In this, I1,I2,I3,I4,I5,I6,I7,I8 are inputs connected to an AND gate and its other two are used to select one of the inputs single to output.Hence the number of AND gates used for a multiplexer is equal to the number of input.
Thus for the 8:1 multiplexer, we require 8 AND gates.
Note: In the 8:1 multiplexer, we use 1 OR gate to perform OR logic (Output will be high if any of input is high) operation for given input signals.Just like multiplex, we also have a demultiplexer which is used to select one input to multiple outputs.There are also many other applications for MUX and some of them are;
Telegraphy: Used during 18th century to send encoded messages from one place to another.
Video processing: For video processing generally record and stream audio and video separately and a static multiplexer is used for interleaving audio and video in two separate data streams.
Digital and Analog broadcasting: For modern-day communication and digital television systems or FM broadcasting MUX plays an important role.
