Question
Question: For the given circuit, the potential \({V_M} - {V_N}\) between points \(M\) and \(N\) is equal to ze...
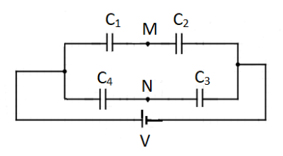
For the given circuit, the potential VM−VN between points M and N is equal to zero when

A. C1C4=C2C3
B. C3C1=C3+C4C1+C2
C. C4C2=C3+C4C1+C2
D. All of these
Solution
The potential differences across the four capacitors are calculated. The property that the charges of the capacitors that are connected in series are equal is applied and the formula relating the charge, potential difference and capacitance of a circuit is applied and corresponding equations are constructed. The equations for the potentials VM and VN are found out and subtracted from each other to obtain the equation in terms of the four capacitances of the circuit.
Complete step by step answer:
The potential across point M is denoted by VM and the potential across point N is denoted by VN. We need to first determine the potential differences across each capacitor so that we can apply that in the general formula for capacitance in a circuit. This formula is as follows:
C=Vq
where, q is the charge passing through or held by the capacitor, V is the potential across the capacitor and C is the capacitance which is the proportionality constant.
The capacitance is defined as the amount of charge required to increase the potential of the conductor by a unit amount. The terms can be rearranged to get:
q=CV ---(1)
Next, we need to calculate the potential difference for all the capacitors. This is done by subtracting the value of a lower potential value from a higher potential value. This will give the potential difference across a capacitor. From the above circuit we can see that, the potential difference across C1 is: V−VM
Since the voltage point VM is connected to the negative potential of the source voltage V the potential is taken to be zero since the current in a conventional circuit flows from the positive to the negative potential and the electrons get collected at the negative end and this value of voltage is zero.
The potential difference across C2 is: VM−0=VM
The potential difference across C3 is: V−VN
Since the voltage point VN is connected to the negative potential of the source voltage V the potential is taken to be zero.
The potential difference across C4 is: VN−0=VN
There is a property that if two capacitors are connected in series then their corresponding charges passing through them are equal.
Since capacitors C1 and C2 are in series connection:
q1=q2
Applying the formula from equation (1)
q1=C1(V−VM)
⇒q2=C2VM
Since these two charges are equal we equate the above equations correspondingly:
C1(V−VM)=C2VM
The terms in brackets are expanded and
⇒C1V−C1VM=C2VM
We then rearrange the terms and manipulate to find the value of VM and hence make VM the subject.
⇒C1V=C1VM+C2VM
Taking the value of VM out as common we get:
⇒C1V=VM(C1+C2)
⇒VM=C1+C2C1V ---(3)
Next we must find the value for VN
Since capacitors C3 and C4 are in series connection:
q3=q4
Applying the formula from equation (1)
q3=C3(V−VN)
⇒q4=C4VN
Since these two charges are equal we equate the above equations correspondingly:
C3(V−VN)=C4VN
The terms in brackets are expanded and
⇒C3V−C3VN=C4VN
We then rearrange the terms and manipulate to find the value of VM and hence make VM the subject.
⇒C3V=C3VN+C4VN
Taking the value of VN out as common we get:
⇒C3V=VN(C3+C4)
⇒VN=C3+C4C3V ---(4)
The equations obtained in (3) and (4) are manipulated and the equation (4) is subtracted from equation (3). This gives:
VM−VN=C1+C2C1V−C3+C4C3V
The potential difference between the points VM and VN is said to be zero which is given in our question.
0=C1+C2C1V−C3+C4C3V
Taking out the common term V outside and cancelling it out, we get:
⇒C1+C2C1=C3+C4C3
The terms are cross multiplied to get the final equation in terms of the four capacitances in the circuit.
∴C3C1=C3+C4C1+C2
Hence the correct option is B.
Additional information: The electrical capacitance of a conductor is the measure of its ability to hold electric charge. The role of a capacitor is to store charge by using the process of charging and discharging cycles. When an insulated conductor is given some charge then it acquires a certain potential and when there is an increase in charge it is observed that the potential also is increased and hence these two quantities are directly proportional. The constant C denoting capacitance was hence introduced which signifies that it is the equivalent to the charge required to increase the potential of the conductor by a unit amount.
Note: There is a possibility of reducing the circuit into a single circuit by applying the capacitor in series and parallel formulae which in this case would be wrong. This method must be avoided as the aim here is to find an equation in terms of capacitance finding out the potential differences between the two points. Another mistake which can be made is when calculating the potential difference where the negative potential of the source voltage is connected to point VM and hence the voltage of this part of the source voltage is taken to be 0 potential.
