Question
Question: : For the configuration of capacitors shown, both switches are closed simultaneously. After equilibr...
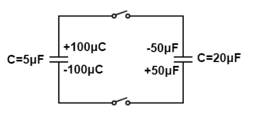
: For the configuration of capacitors shown, both switches are closed simultaneously. After equilibrium is established, what is the charge on the top plate of the 5μF capacitor?

A. 100μC
B. 90μC
C. 10μC
D. None of these
Solution
In order to solve this question, we will first calculate the total charge distributed on upper plate of both capacitors and then by using the concept that both capacitors are connected in parallel so that their potential difference will be same and hence, by forming equation in form of charge on both capacitors we will calculate the charge on the top plate of the 5μF capacitor.
Complete answer:
According to the given diagram, the total charge distributed on the upper plate is simply the sum of 100μC−50μC=+50μC→(i) .
Now, from the diagram we see that, Both capacitors are connected in parallel combination and let Q5,Q20 denotes the charge on capacitors of 5μFand20μF and both capacitors will have same potential difference and the relation between capacitance, voltage and charge is calculated as
V=CQ so for each capacitance we have,
⇒V=5Q5 and V=20Q20 so we get,
⇒5Q5=20Q20
⇒Q20=4Q5→(ii)
And from equation (i) we have, Q5+Q20=50μC as total charge distributed among both capacitors.
Put the value of Q20=50μC−Q5 in equation (ii) we get,
4Q5=50μC−Q5
⇒5Q5=50μC
∴Q5=10μC
So, charge on the 5μF capacitor will be Q5=10μC.
Hence, the correct option is C.
Note: It should be remembered that, the actual total charge on both capacitor can be written just the sum of charge stored in each capacitor but here, we just take the value of charge on the upper plate of each capacitor, Unit of capacitance is related as 1μF=10−6F and unit of charge is related as 1μC=10−6C.
