Question
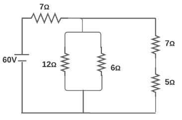
Question: Find the power dissipation in resistance \[12\Omega \] in the circuit shown above figure. 
A. 27W
B. 20W
C. 50W
D. 100W
Solution
In this problem we have to find the power dissipated in resistance 12Ω. We will first find the equivalent resistance between CD as they are in series connection. We will then find the equivalent resistance between AB. We will then find the power supplied into 12Ω resistance. We will use the fact that voltage across resistance connected in parallel is the same. And voltage across resistance connected in series divides.
Complete step by step answer:
This problem is based on resistance and ohm's law. Resistance is the property of any material through which it opposes the flow of current. It is denoted by symbol R. Ohm's law states that the current flowing through a conductor is directly proportional to the voltage across the conductor. Let as draw the given Circuit diagram with the resistance AB and CD is mentioned as follows

The resistance across CD are in series.
So the equivalent resistance across CD is given as RCD=(7+5)=35Ω.
Now the resistance across AB are in parallel.
Therefore equivalent resistance across AB is given by RAB1=R11+R21+R31
RAB1=121+61+121=31
Hence, RAB=3
Given voltage in the circuit = $$$$60V
Voltage between AB = $$$${V_{AB}} = \dfrac{3}{{3 + 7}} \times 60 on solving we have
Hence VAB=18V
Hence the voltage across resistor 12Ω is VAB=18V
Power dissipated in 12Ω resistance is P=RV2
Therefore, P=12182=27W
Hence, Power dissipated in 12Ω resistance is 27W.
Therefore, option A is correct.
Note: Resistance is the property of material, due to which it opposes the flow of current in the circuit. Equivalent resistance in series is given by Req=R1+R2. Equivalent resistance in parallel is given by Req1=R11+R21+R31. Voltage across resistance in parallel is the same.Voltage across the resistor in series is different.
