Question
Question: Find the position of Jockey from point A so that there is no deflection in Galvanometer. Length of w...
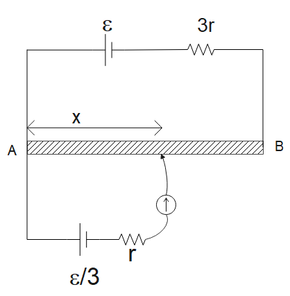
Find the position of Jockey from point A so that there is no deflection in Galvanometer. Length of wire AB is L and its resistance is 12r.

a.) 125L from point “A”
b.) 65L from point “A”
c.) 125L from point “B”
d.) 127L from point “A”
Solution
A galvanometer is a device that detects electrical current and also measures them. Galvanometers have a needle which is basically in the center position, when a current passes through the galvanometer the needle gets deflected either in left or right position, and the top point of needle shows the magnitude of current. When the needle is in center position this means no potential difference is there at that point
Complete answer:
We have been given that the length of wire is “L”
Resistance of wire is “12r”
The current through the wire can be given as
I=12r+3rε
I=15rε
Potential drop across the wire can be given as
ΔV=15rε×12r
ΔV=54ε
Now potential gradient or voltage per unit length can be given as
LV=5L4ε
Now potential in a wire of length “x” can be given as 5L4ε×x
Now if we want that there should be no deflection in the galvanometer then for this condition the below equation must be satisfied
5L4ε×x=3ε
Therefore x=125L
So, we can say that the value of “x” should be 125L from point A
Hence, we can say that option (A) is the correct answer .
Note:
The length that we have found in the question is the length where the galvanometer shows no deflection. We can find this length from any point of reference either from point A and from point B, but the reference point should always be taken from a point where the galvanometer wire is connected. If we take it in some other direction then we might get the length in negative or it can be possible that we get a wrong answer.
