Solveeit Logo

Question

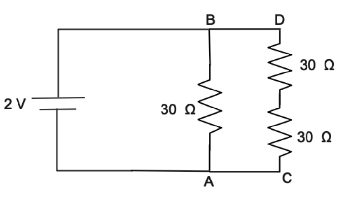
Question: Find the equivalent resistance between any two terminals and find the total current: ![](https://w...

Find the equivalent resistance between any two terminals and find the total current:

Explanation

Solution

In order to solve the question, first of all we will extend the circuit in the form of simple series and parallel connection then we will first solve the series connection then we will solve the parallel connection after we find resultant resistance we will find current by using ohm’s law and in which we will substitute resultant resistance.

Formula Used:
Series connection of resistance
Req=R1+R2+R3+.......RN{R_{eq}} = {R_1} + {R_2} + {R_3} + .......{R_N}
Parallel connection of resistance
1Req=1R1+1R2+1R3+.......1RN\dfrac{1}{{{R_{eq}}}} = \dfrac{1}{{{R_1}\,}} + \dfrac{1}{{{R_2}\,}} + \dfrac{1}{{{R_3}\,}} + .......\dfrac{1}{{{R_N}\,}}
Ohm’s law
I=VReqI = \dfrac{V}{{{R_{eq}}}}
I refer to current
V refers to potential difference
Req{R_{eq}} refers to equivalent resistance

Complete step by step solution: 7
In the question we are given circuit connection of resistance and battery
All the resistance in the circuit is 30 Ω30{\text{ }}\Omega
Potential difference in the circuit is 2V

The diagram shows that circuit in question now we will solve the circuit by extended the circuit and represent in the simple form of parallel and series connection

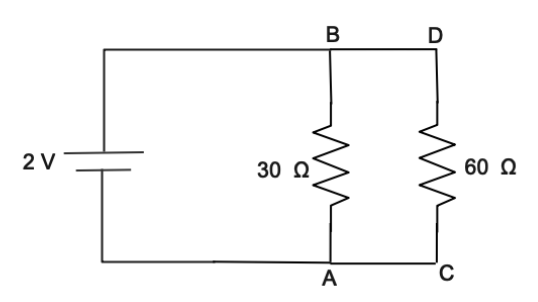
Now we will solve the resistance between the terminal D and C
The connection between terminal D and terminal C is
Series connection of resistance
Req=R1+R2+R3+.......RN{R_{eq}} = {R_1} + {R_2} + {R_3} + .......{R_N}
Substituting the value of resistance from the diagram
Req=30 Ω+30 Ω{R_{eq}} = 30{\text{ }}\Omega + 30{\text{ }}\Omega
Req=60 Ω{R_{eq}} = 60{\text{ }}\Omega

Now we will solve the resistance between A, B, C, D terminals the connection between circuit is
Parallel connection of resistance
1Req=1R1+1R2+1R3+.......1RN\dfrac{1}{{{R_{eq}}}} = \dfrac{1}{{{R_1}\,}} + \dfrac{1}{{{R_2}\,}} + \dfrac{1}{{{R_3}\,}} + .......\dfrac{1}{{{R_N}\,}}
Substituting the value of resistance from the diagram
1Req=160 Ω+130 Ω\dfrac{1}{{{R_{eq}}}} = \dfrac{1}{{60{\text{ }}\Omega \,}} + \dfrac{1}{{30{\text{ }}\Omega }}
1Req=120 Ω\dfrac{1}{{{R_{eq}}}} = \dfrac{1}{{{\text{20 }}\Omega \,}}
Taking the reciprocal we will get
Req = 20 Ω{R_{eq}}{\text{ = 20 }}\Omega \,
Hence we solved the circuit with equivalent resistance and current

Now we will apply Ohm’s law
I=VReqI = \dfrac{V}{{{R_{eq}}}}
Substituting the value of Req=20Ω{R_{eq}} = 20\Omega and V = 2V
I=2 V20ΩI = \dfrac{{2{\text{ V}}}}{{20\Omega }}
I=0.1 AI = 0.1{\text{ A}}
Hence, the answers are I=0.1 AI = 0.1{\text{ A}} and Req = 20 Ω{R_{eq}}{\text{ = 20 }}\Omega \,

Note:
Many of the people will make mistake by not breaking the circuit and doing it directly it can be short it would not be clear as it is with step by step circuit along with the unit should be taken care and should be written at each step and should be converted into simple unit as voltage upon ohm is converted into ampere