Question
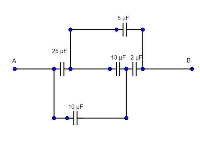
Question: Find the equivalent capacitance across A and B. 
(A). 635μF
(B). 625μF
(C). 15μF
(D). None of these.
Solution
First we need to disintegrate the circuit into many parts with respect to the capacitors in series or parallel, so that the calculation is made easy, after that we need to calculate all the series and parallel connections of the circuit which will give us the value of the equivalent capacitance in the circuit.
Complete step by step answer:

We see that the 15μF , and the 10μF capacitors are in parallel, so
Ceq1= (15+10)μF
Ceq1=25μF.

We further see that both the 1μF capacitors are in parallel, so
Ceq2=(1+1) μF
Ceq2=2 μF.

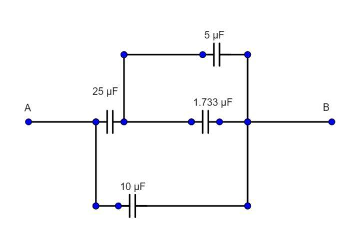
Now on comparing we see that Ceq2 and 13 μF capacitors are in series,
So,
Ceq3=13+213×2
Ceq3=1.733

Now comparing Ceq3 and 5μF capacitor that are in parallel,
Ceq4=1.733+5μF
Ceq4=6.733 μF

Now we see that,25μFand Ceq4 is in with each other which in turn us parallel to the 10 μF capacitor that is below so,
Ceq51=6.7331+25
Ceq51=168.3225+6.733μF
Ceq5=5.30μF,
Ceq6 =5.30+10
Ceq6=15.30μF
Therefore the equivalent capacitance between the two is 15.30μF, which is option D (none of the above).
Additional Information:
A capacitor is a device which is used to store charge, it is usually made up of two conductors separated by an insulator.
Note:
When we calculate equivalent capacitance for a series circuit of capacitors we need to do a sum of both the capacitance simply, but when we find equivalent capacitance for a parallel circuit of capacitors we need to inverse each and every following term and find the result.
