Question
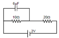
Question: Find the charge on the capacitor shown in figure. 
Solution
A capacitor is an electrical energy storage system that operates in an electric field. It's a two-terminal passive electronic component. Capacitance is the term used to describe the effect of a capacitor. Although there is some capacitance between any two electrical conductors in close proximity in a circuit, a capacitor is a device that is specifically engineered to add capacitance to a circuit.
Complete step by step answer:
The ability of a part or circuit to collect and retain energy in the form of an electrical charge is known as capacitance. Capacitors are energy-storage devices that come in a variety of shapes and sizes. They are made up of two conductor plates (usually thin metal) sandwiched between an insulator made of ceramic, film, glass, or other materials, like air. The insulator, also known as a dielectric, increases the charging potential of a capacitor. In the aerospace, maritime, and aircraft industries, capacitors are referred to as condensers.
The capacitor has a voltage through it in steady state, but no current passes across the circuit: it behaves like an open circuit. The capacitor is totally charged in steady state and then has limitless resistance to direct current flow. As a result, in a steady state, no current will pass through the capacitor. The circuit's effective resistance.
Reff=10+20=30Ω
The circuit's current flowing
i=302=151A
The voltage drop over the 10 Ω resistor
V=IR
⇒V=151×10
⇒V=1510=32V
The charge deposited on the capacitor is the same since the potential decreases around the capacitor and the 10Ω resistor are the same.
Q=CV
⇒Q=6×10−6×32
∴Q=4×10−6 C=4 mC
Hence, the charge on the capacitor is 4 mC.
Note: When matter is put under an electromagnetic field, it acquires an electric charge, which allows it to undergo a force. Positive and negative charges are the two forms of electric charge. Charges that are similar repel each other, while charges that are dissimilar attract each other. Furthermore, the higher the capacitance of the capacitor, the more charge would be driven into it by a given voltage. The formula q=CV describes this relationship, where q is the charge collected, C is the capacitance, and V is the applied voltage.
